ALESIS MATICA 500/900 A4/A8 - MJL21194, MJL21193
The A4/A8 amplifiers are basic stereo amplifiers. They have 0dBm input sensitivities for rated output at 4:, with the ability to drive any load impedance from 2: to an open circuit. They have balanced inputs via Neutrik combination connectors providing XLR and 1/4" TRS connections and also a barrier strip. The output of the amplifier is obtained by way of four five way binding posts. Reference designations in the text refer specifically to the A4 amplifier except where otherwise noted. Though reference designations between the two units are different, the designs are virtually identical. The only significant differences occur in the output section (since the A8 is required to handle much more power than the A4).Here are some of the major features and building blocks of the Matica
* An input balanced to unbalanced converter.
* A second stage pre-amp and an amplifier gain stage utilizing a monolithic front end with discrete complimentary transconductance stage and a complimentary output stage in a common collector configuration.
* Output device protection is accomplished with a conventional volt-amp current limiter circuit. The output devices use a new perforated emitter technology unique to MOTOROLA. The output devices are driven by similar technology devices, but they have been optimized for extremely linear current gain with a unity gain bandwidth (Ft) of 50 MHz.
* The speakers are protected by output relays. They are activated during the first 3 to 5 seconds the amplifier is turned on. Also, if a DC condition exists at the output of the amplifier or the amplifier is driven to full output below 5Hz the relays will be activated.
* Thermal management and protection are accomplished with a large heavy aluminum extruded heat sink the is fan cooled. If the sink gets warmer than 55 deg. C, the fan is automatically stepped up in speed and if the heat sink gets warmer than 80 deg. C the fan is run at high speed and the output relays are activated to disconnect the load until the unit has cooled to 65 deg. C. There is also a unique feature of the amplifier fan circuit in that when the amplifier is providing an output signal of a little more that a watt the fan speed is modulated or increased by the signal. This will help get longer run times with the amplifier under extreme load conditions.
* An input balanced to unbalanced converter.
* A second stage pre-amp and an amplifier gain stage utilizing a monolithic front end with discrete complimentary transconductance stage and a complimentary output stage in a common collector configuration.
* Output device protection is accomplished with a conventional volt-amp current limiter circuit. The output devices use a new perforated emitter technology unique to MOTOROLA. The output devices are driven by similar technology devices, but they have been optimized for extremely linear current gain with a unity gain bandwidth (Ft) of 50 MHz.
* The speakers are protected by output relays. They are activated during the first 3 to 5 seconds the amplifier is turned on. Also, if a DC condition exists at the output of the amplifier or the amplifier is driven to full output below 5Hz the relays will be activated.
* Thermal management and protection are accomplished with a large heavy aluminum extruded heat sink the is fan cooled. If the sink gets warmer than 55 deg. C, the fan is automatically stepped up in speed and if the heat sink gets warmer than 80 deg. C the fan is run at high speed and the output relays are activated to disconnect the load until the unit has cooled to 65 deg. C. There is also a unique feature of the amplifier fan circuit in that when the amplifier is providing an output signal of a little more that a watt the fan speed is modulated or increased by the signal. This will help get longer run times with the amplifier under extreme load conditions.
Input Section
The input stage is made up of a dual Signetics 5532A op amp. This is a low noise selected version of the 5532. One half of the dual is used for each channel. The circuit is a basic balanced to unbalanced converter. It can be driven unbalanced but 6dB differences in gain may result for various hookups. If the (+) input is driven with the (-) input grounded the gain will be unity. If the (+) input is driven with the (-) input left open there will be a gain reduction of 6dB.
This is not recommended as a noisier condition may result. If the (-) input is driven, gain will be unity and will not change with the grounding or ungrounding the (+) input The maximum input level before clipping in about +21dBm. Since there is no level control in front of the converter this is the maximum input level for the amplifier. Connections to the Alink connector are between R1, R2 and R3, R4. These are provided so an outboard impedance may be connected to modify the gain and overload characteristics as well as its frequency response. Following the amplifier is a passive low pass (R7, C1) filter that begins to limit the high frequency gain of the amplifier.
Pre-Amp Section
The pre-amp section also uses the Signetics 5532A op amp. The circuits of the pre-amp are of opposing signal polarity to provide push pull characteristics and are connected via the stereo/bridge switch. Each of the two pre-amp channels has 15.7 dB of gain but channel A is inverting and channel B is not.
Since the main amplifier is inverting, channel A will not invert the signal and channel B will. Doing this facilitates two things. When the stereo/bridge switch is in the bridge mode channel B will already be out of phase with A so no signal inversion will have to be done to achieve bridge operation. Also by operating B out of phase all the time, (even in stereo operation) getting the phase of the signal flipped back at the speaker terminals, the amplifiers low frequency power bandwidth will be increased. This allows the power supply to be utilized more efficiently.
This section also shapes the bandwidth of the amplifier further via another low pass pole being added to each stage. First and second stage high pass filtering occurs via the 100uf coupling capacitors preceding the volume pots and after the pre-amp stages. The pre-amp stages drive the main amplifier directly.
ALINK connections at the junction between R8, C2 and R13, C5 are for sending the output signal of the input stage at a low impedance for use with auxiliary equipment. The connection between R9, R10 and R14, R17 are to be used to for defeating the level controls by supplying an input signal from a very low source impedance to swamp out the signal from the pots.
The pre-amp section also uses the Signetics 5532A op amp. The circuits of the pre-amp are of opposing signal polarity to provide push pull characteristics and are connected via the stereo/bridge switch. Each of the two pre-amp channels has 15.7 dB of gain but channel A is inverting and channel B is not.
Since the main amplifier is inverting, channel A will not invert the signal and channel B will. Doing this facilitates two things. When the stereo/bridge switch is in the bridge mode channel B will already be out of phase with A so no signal inversion will have to be done to achieve bridge operation. Also by operating B out of phase all the time, (even in stereo operation) getting the phase of the signal flipped back at the speaker terminals, the amplifiers low frequency power bandwidth will be increased. This allows the power supply to be utilized more efficiently.
This section also shapes the bandwidth of the amplifier further via another low pass pole being added to each stage. First and second stage high pass filtering occurs via the 100uf coupling capacitors preceding the volume pots and after the pre-amp stages. The pre-amp stages drive the main amplifier directly.
ALINK connections at the junction between R8, C2 and R13, C5 are for sending the output signal of the input stage at a low impedance for use with auxiliary equipment. The connection between R9, R10 and R14, R17 are to be used to for defeating the level controls by supplying an input signal from a very low source impedance to swamp out the signal from the pots.
Main Amplifier Section
The main amplifier is composed of four sections
> The monolithic front end.
> A complimentary voltage gain stage or transconductance stage
> The output driver
> The output stage
The amplifier is configured in the inverting mode. This allows for the inputs of the op amp to remain at a 0 voltage potential and ease operation on a +/- 15 volt supply. The large voltage swing is accomplished with a discrete, complimentary darlington connected transconductance stage Q1, Q2, Q3, and Q4. The current in the transconductance stage is set by the voltage divider network made up of R19, R20, R21, and R22. The first transistor in the darlington is a TO-92 packaged device with the current set by R27, and R28. The collector of this transistor is not tied to the second collector in the darlington connection but rather to the +/-15 volt supply to help increase the bandwidth of the stage and reduce the dissipation in the TO-92 devices. The closed loop gain of the amplifier has been set for 10X or 20dB. The DC output offset is a function of the input offset voltage error of the op amp times the gain of the system. With the offset error of the op amp at about +/- 1mv the amplifier will have less than +/- 10mv of output offset. The feedback network is composed of R25, R18, and C11. C11 reduces the bandwidth of the amplifier. The large low frequency gain of the op amp helps to reduce the supply ripple that is introduced into the system by the lack of supply rejection in the voltage gain stage. Under driven conditions at mild loads of 4 or 8: at mid and high frequencies, the output of the op amp will appear not to have any signal or very little signal on it. When the amplifier is clipped, or driven to its rail, the output of the op amp will be driven to its rail, or about +/- 14 volts. It is trying to correct the loop error or non linearity of clipping in the amplifier. The only other time the output of the op amp will become a large signal is at a 2: condition at lower frequencies. This is due to the loss of loop gain when the transconductance stage is required to deliver large amounts of current to the output stage drivers. CR1 and CR2 are connected as clamps to the discrete darlingtons (causing the transconductance stage not to saturate, which reduces the possibility of saturation in the gain stage).
The drivers and output devices are mounted on the large extruded aluminum heat sink.
The drivers have extremely linear gain with changes in current. They also have an Ft of 50mHz keeping the gain linear with frequency. The output devices are 16 amp, 250 volt, 200 watt devices. These are very strong devices. The output stage is configured in a common collector, or emitter follower configuration. The drivers are connected again in a discrete complimentary darlington configuration. This allows for a class A bias and protection scheme that offers very close bias tracking and simple current limiting. Also there are 1.2: resistors in the bases of all the output devices. This helps linearize the gain with frequency and reduce high current parasitics. When the output stage is biased properly, the DC voltage drop across the emitter resistors should by 2-3mv cold and may rise to as much as 6-10mv when hot. Finally the output of the amplifier is de coupled from the load with a traditional termination network. This network isolates the amplifier and feedback loop from loads at high frequencies, especially capacitive ones. This is how unconditional loop stability is achieved. Under bench test conditions it is recommended that the amplifier not be driven to full power at 20kHz and above for periods longer than a few minutes as this will cause R53 to over heat. Under music conditions there is never enough energy to have this be a problem.
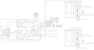
Click on the pictures to zoom in
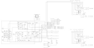
Power amplifier [8 power transistors at output stage] - Schematic
Cooling fan regulator schematic
Output Device Protection
Output device protection is accomplished with a relatively simple circuit. The protection circuit is broken up into Q17 that protects the NPN output devices and Q18 that protects the PNP output devices. These devices are complimentary as are the output devices but they also have similar Vbe N to P. This allows selection of a point of protection that will be about equal for each half of the output stage. R55 and R56 sense the voltage at the emitter of two of the output devices and sum them. The emitter of Q17 is connected to the output of the amplifier. When a voltage across the emitter resistors of the output devices reaches about 0.7 volts, Q17 will conduct if there is no voltage across R54. This condition exists for a short circuit or something very close. As the amplifier impresses a voltage across a load it also has that same voltage across R54. As the voltage across R54 gets larger more current must flow through the emitter resistors of the output devices to cause enough voltage to be developed at the base of the protection device to turn it on. This is what is known as the load line. As the voltage across the output devices gets lower they can deliver more current in keeping with a constant power. When the protection device is conducting the current from the transconductance stage is essentially being diverted around the output stage to the load. Everything described for the positive half cycle is the same for the negative half. C18 and C19 slow down the protection device and keep it from any possible oscillation condition. CR3 and CR4 are used to protect possible reverse Vbe conduction of the protection devices and CR4 and CR5 prevent conduction of the protection devices while in the opposite half cycle.
Output device protection is accomplished with a relatively simple circuit. The protection circuit is broken up into Q17 that protects the NPN output devices and Q18 that protects the PNP output devices. These devices are complimentary as are the output devices but they also have similar Vbe N to P. This allows selection of a point of protection that will be about equal for each half of the output stage. R55 and R56 sense the voltage at the emitter of two of the output devices and sum them. The emitter of Q17 is connected to the output of the amplifier. When a voltage across the emitter resistors of the output devices reaches about 0.7 volts, Q17 will conduct if there is no voltage across R54. This condition exists for a short circuit or something very close. As the amplifier impresses a voltage across a load it also has that same voltage across R54. As the voltage across R54 gets larger more current must flow through the emitter resistors of the output devices to cause enough voltage to be developed at the base of the protection device to turn it on. This is what is known as the load line. As the voltage across the output devices gets lower they can deliver more current in keeping with a constant power. When the protection device is conducting the current from the transconductance stage is essentially being diverted around the output stage to the load. Everything described for the positive half cycle is the same for the negative half. C18 and C19 slow down the protection device and keep it from any possible oscillation condition. CR3 and CR4 are used to protect possible reverse Vbe conduction of the protection devices and CR4 and CR5 prevent conduction of the protection devices while in the opposite half cycle.
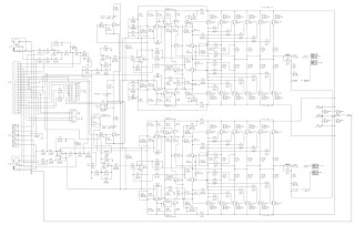
Power amplifier [12 power transistors at output stage] schematic
Cooling fan regulator schematic
Bias Circuit
The bias circuit is more that just a single device Vbe multiplier seen in many audio amplifiers. The circuit consists of an active shunt regulator. The reason for this is two fold. The shunt regulator has a much lower impedance than the single device regulator. This helps control the bias voltage better when there is a change in the quiescent operating current of the transconductance stage. Since the operating, or quiescent current of the transconductance stage is supply dependent, the need for a bias circuit that doesn't change voltage with current is imperative. Also by reducing the current through the bias sense transistor a larger change in Vbe with temperature can be realized. This tracks the needs of the output stage better. The 5k pot in the bias circuit adjusts the potential of the regulator. A 1.5k resistor (R55) sets the current through the bias sense transistor (Q18) making the current in the sense transistor relatively constant. Q17 is the pass transistor of the regulator. Note that any time the output transistors are replaced, the pass and bias transistors must also be replaced. Failure to do so will probably result in the output transistors failing again.
The bias circuit is more that just a single device Vbe multiplier seen in many audio amplifiers. The circuit consists of an active shunt regulator. The reason for this is two fold. The shunt regulator has a much lower impedance than the single device regulator. This helps control the bias voltage better when there is a change in the quiescent operating current of the transconductance stage. Since the operating, or quiescent current of the transconductance stage is supply dependent, the need for a bias circuit that doesn't change voltage with current is imperative. Also by reducing the current through the bias sense transistor a larger change in Vbe with temperature can be realized. This tracks the needs of the output stage better. The 5k pot in the bias circuit adjusts the potential of the regulator. A 1.5k resistor (R55) sets the current through the bias sense transistor (Q18) making the current in the sense transistor relatively constant. Q17 is the pass transistor of the regulator. Note that any time the output transistors are replaced, the pass and bias transistors must also be replaced. Failure to do so will probably result in the output transistors failing again.
Speaker Protection
There are two sections to the speaker protection circuit. A section made up of a quad comparator with a low pass filter before it and a discrete bipolar transistor circuit that controls the two speaker relays. The transistor circuit and +15 volt three terminal regulator make up the power up delay circuit and "instant off" power down circuit. When the unit is turned on the 15 volt regulator supplies power to the discrete circuit. Q24 controls the speaker relays and is held off during power up by Q23. During power up C24 is not charged and must be charged before Q23 will turn off. This delays the turn on of the output relays to protect against any transients that may occur at power up. Once on, there are four ways the relays can be opened again.
* The first is if the heat sink gets to 80 deg. C. then TH1 will open and release the relays.
** Second is by shut down of the amplifier. Upon the removal of AC to the amplifier, the three terminal regulator will fall out of regulation that forces Q21 on because C23 acts like a battery and momentarily turns on Q21. This pulse will cause Q22 to dump the charge on C24, turning on Q23.
*** The third way is if the line voltage get low (about 90 volts in the 120v unit). At this time the regulator will fall out of regulation and the first pulse from the 50 or 60 Hz that gets through the regulator will cause C24 to be dumped again and the 3-5 second charge time will occur again.
**** The fourth way is to have the circuit be triggered by the comparator circuit.
The comparator is DC coupled to the output of the amplifier before the speaker relays.
They are set up with each one of their inputs tied to a +/- 1.2v reference derived from CR7, CR8,CR9, and CR10. The low pass filter is comprised of R64, R65, R66, R67, C21, and C22. When the output of the amplifier is driven to full output at or below 5Hz, or 1.2v of DC offset appears at the output of the amplifier, it will trigger one of the comparators which in turn opens the output relays. When this happens the same 3 to 5 second period must occur before the relays will engage again. If the fault condition persists then the relays will remain open.
The 18 volt AC winding which runs this circuit is rectified by a half wave rectifier. This is allows one side of the winding to be grounded. The 18 volt winding is also provided at the Alink connector to facilitate generation a +/- 15 volt supply to run auxiliary accessories requiring phantom power.
Fan Speed Control
The fan circuit has three modes of operation in which it varies the speed of the fan depending on demand or condition. At power up of the amplifier Q25 and Q26 will be saturated until the relay circuit enables the speaker relays. This condition lasts for 3 to 5 seconds. During this time Q27 is also saturated. This forces the fan to run at an elevated speed momentarily.
After this time only R85 will be delivering current to the fan. The fan will be running at a very slow speed. The reason for the accelerated speed of the fan at turn on is that the current delivered by R85 may not be sufficient to start the fan, especially at low power line levels.
Signals from both channels are detected by Q25 and Q26 as the amplifier is driven harder. They act as rectifiers of the signal, and when they conduct the 40: resistor connected to Q27 delivers more current to the fan motor, causing the fan speed to increase with the drive of the amplifier. The fan motor itself acts as a flywheel or filter to smooth the modulation and the speed of the fan is proportional to the average of the drive to the amplifier. If the heat sink gets hotter than 55 deg.C. then an additional 20: resistor is switched in to deliver more current to the fan. The fan speed will still be modulated by the drive to the amplifier. If the heat sink gets hot enough to trip the 80deg. C. breaker, then the relay circuit will disconnect the load and also turn on Q25 and Q26. This will increase the fan to its highest speed and cool the amplifier. Upon cooling below 65deg. C. the amplifier will resume normal operation.
Troubleshooting
The following chart is intended to help point a technician in the right direction.
Unfortunately there isn't space to provide an absolutely comprehensive list, however this should help with some of the more common solutions.
The following chart is intended to help point a technician in the right direction.
Unfortunately there isn't space to provide an absolutely comprehensive list, however this should help with some of the more common solutions.
Thermal Management System
The large extruded aluminum heat sink in the center of the chassis is the heart of the amplifiers heat dissipation scheme. It is a forced air cooling system. In the A8 the heat sink has a thermal resistance of .075 deg. C. per watt when the fan is at full speed. This is equal to about 800 watts of heat. The air from the fan is forced into the center of the side of the heat sink with fins and the air flows around the sink and out over the amplifier circuitry. It has an air intake at the front of the amplifier and exhaust at the left rear. As explained in the fan speed control section, the speed of the fan is determined by the demands on the amplifier. If for some reason the fan should stop but not fail there is enough dissipation in the main heat sink as well as the four TO-220 stand up heat sinks on the PCB to allow operation indefinitely while at a quiescent condition.
The large extruded aluminum heat sink in the center of the chassis is the heart of the amplifiers heat dissipation scheme. It is a forced air cooling system. In the A8 the heat sink has a thermal resistance of .075 deg. C. per watt when the fan is at full speed. This is equal to about 800 watts of heat. The air from the fan is forced into the center of the side of the heat sink with fins and the air flows around the sink and out over the amplifier circuitry. It has an air intake at the front of the amplifier and exhaust at the left rear. As explained in the fan speed control section, the speed of the fan is determined by the demands on the amplifier. If for some reason the fan should stop but not fail there is enough dissipation in the main heat sink as well as the four TO-220 stand up heat sinks on the PCB to allow operation indefinitely while at a quiescent condition.
Stripped Heat Sinks
occasionally when tightening down the heat sink clamps one of the screws will strip the threads out of the heat sink itself. Because heat sink is a rather expensive and bulky item, a way was found to reuse stripped heat sinks. Use a long (at least 1 1/4") machine screw from the clamp side, and a threaded hex standoff inserted into the heat sink fin side. Do not use just a hex nut, as it will probably not be able to hold the clamp pressure any more then the heat sink did.
occasionally when tightening down the heat sink clamps one of the screws will strip the threads out of the heat sink itself. Because heat sink is a rather expensive and bulky item, a way was found to reuse stripped heat sinks. Use a long (at least 1 1/4") machine screw from the clamp side, and a threaded hex standoff inserted into the heat sink fin side. Do not use just a hex nut, as it will probably not be able to hold the clamp pressure any more then the heat sink did.





