KLV-23S200A/26S200A/32S200A/40S200A– Sony LCD TVs - Canada and Mexico Models – How to enter the service mode, how to access the self diagnosis mode, LED blinking codes, Power board circuit diagram
To avoid damaging the LCD panel:Do not press on the panel or frame edge to avoid the risk of electric shock.
Do not scratch or press on the panel with any sharp objects.
Do not leave the module in high temperatures or in areas of high humidity for an extended period of time.
Do not expose the LCD panel to direct sunlight.
Avoid contact with water. It may cause a short circuit within the module.
Disconnect the AC adapter when replacing the backlight (CCFL) or inverter circuit.
(High voltage occurs at the inverter circuit at 650Vrms.)
Always clean the LCD panel with a soft cloth material.
Use care when handling the wires or connectors of the inverter circuit. Damaging the wires may cause a short.
Protect the panel from ESD to avoid damaging the electronic circuit (C-MOS).
The circuit boards used in these models have been processed using Lead Free Solder. The boards are identified by the LF logo located close to the board. designation e.g. H1 etc. It is strongly recommended to use Lead Free Solder material in order to guarantee optimal quality of new solder joints. Due to the higher melting point of Lead Free Solder the soldering iron tip temperature needs to be set to 370 degrees centigrade.
This requires soldering equipment capable of accurate temperature control coupled with a good heat recovery characteristics.
Self diagnostic function control buttons & Description of LED indicators
The units in this manual contain a self-diagnostic function. If an error occurs, the POWER LED will automatically begin to fl ash. The number of times the LED fl ashes translates to a probable source of the problem. A definition of the POWER LED flash indicators is listed in the instruction manual for the user’s knowledge and reference. If an error symptom is difficult to reproduced use the Remote Commander to display the record that is stored at the internal NVM to specify the cause of the failure.
Diagnostic Test Indicators
When an error occurs, the POWER LED will fl ash a set number of times to indicate the possible cause of the problem. If there is more than one error, the LED will identify the first of the problem areas. If the errors occur simultaneously, the one that corresponds to the fewest fl ashes is identified first. Results for all of the following diagnostic items are displayed on screen. No error has occurred if the screen displays a “0”.
When an error occurs, the POWER LED will fl ash a set number of times to indicate the possible cause of the problem. If there is more than one error, the LED will identify the first of the problem areas. If the errors occur simultaneously, the one that corresponds to the fewest fl ashes is identified first. Results for all of the following diagnostic items are displayed on screen. No error has occurred if the screen displays a “0”.
LED blinking codes and faults
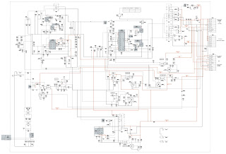
KLV 40S200A – SMPS schematic and PWB
Used Semiconductors: FA55501AN-D1-TE1 (Power control), 2SK3797 (FET switch), MIP2H2, CXD9841M-H (Conv.drive)
KLV 22, 26 and 32 S200A - power board circuit diagram and PWB
Used Semiconductors: MIP2H2, PS-2561A(Opto-coupler x 4), FA5501AN, CXD9841M (IC6501)
ACCESSING SERVICE ADJUSTMENTS
To adjust various set features, use the Remote Commander to put the set into service mode to display the service menus.
1. Turn the TV on and view an Analog channel.
2. Put the TV in standby mode. (Power off).
3. Press the following buttons on the Remote Commander within a second:
Display >> Channel-5 >> Volume(+) >> Power ON.
4. Use the DN button to view the next category listing the white balance adjustment items.
5. Use the DN or UP button to select the item you want to adjust.
a. To increase the data value of the category, press the => button.
b. To decrease the data value of the category, press the <= button.
6. To save the data value changes, press the DN button to select Color Save and then press the (+) button.
a. To save the data value changes, select Save by pressing the DN button and then press the (+) button.
b. To cancel the data value changes, select Cancel by pressing the UP button and then pressing the (+) button.
RESETTING THE USER MENU - FACTORY RESET
The TEST RESET option resets all the customer adjustable data back to the factory defaults.
1. Put the TV in standby mode. (Power off).
2. Press the following buttons on the Remote Commander within 5 second:
The TEST RESET option resets all the customer adjustable data back to the factory defaults.
1. Put the TV in standby mode. (Power off).
2. Press the following buttons on the Remote Commander within 5 second:
Display > Channel-5 > Volume (+) > Power ON
The service menu displays.
3. Use the DN button to view the next category listing the white balance adjustment items
4. Continue pressing the DN button until the next category list displays.
5. Press the (+) button to select TEST RESET options.
6. Press the DN button to select OK.
7. Press the (+) button to reset the TV.
6. Press the DN button to select OK.
7. Press the (+) button to reset the TV.
AGING MODE
Aging mode is designed to remove image retention from the screen.
NOTE: Once you enter into Aging Mode the Remote Commander no longer functions with the set. To turn off the set, push the Power Button on the set.
1. Put the TV in standby mode. (Power off).
Aging mode is designed to remove image retention from the screen.
NOTE: Once you enter into Aging Mode the Remote Commander no longer functions with the set. To turn off the set, push the Power Button on the set.
1. Put the TV in standby mode. (Power off).
2.Get into the service mode, as described earlier.
3. Use the DN button to view the next category listing the white balance adjustment items.
4. Continue pressing the DN button until the next category list displays.
5. Press the DN button to select AGING MODE.
6. Press the (+) button to display the Aging Mode options.
7. Press the DN button to select ON.
8. Press the (+) button to start the aging process.
6. Press the (+) button to display the Aging Mode options.
7. Press the DN button to select ON.
8. Press the (+) button to start the aging process.






