Used ICs: IX3354CE, IX3528CE, LA7841, TEA1507(power switching control) STP7NB60(SMPS switch), F0049ME or FA004WJ (Fly-back transformer) - Sharp 27U-S60, Sharp 27U-S100.
The receiver is protected by a 4.0A fuse (F701), mounted on PWB-A, wired into one side of the AC line input.
For adjustments of this model, the bus data is converted to various analog signals by the D/A converter circuit. There are still a few analog adjustments in this series such as focus and master screen voltage. Follow the steps below whenever the service adjustment is required.
To enter and exit service mode.
Before putting unit into the service mode, check that customer adjustments are in the normal mode. Use the reset function in the video adjustment menu to ensure customer controls are in their proper (reset) position.
While pressing the Vol-up and Ch-up buttons at the same time, plug the AC cord into a wall socket. Now, the TV set is switched on and enters the service mode.
To exit the service mode, turn the television off by pressing the power button.
In the service mode, you will see the window screen as window 1. There are 4 adjustment categories 2 DEF, 3 SIGNAL, 4 FEATURE, 5 FIX VALUE as shown below:
Press CH UP/DOWN button for selection and enter by VOL UP or VOL DOWN.
Press CH UP/DOWN button to select the adjustment item and VOL UP/DOWN to adjust the data number for each categories.
(OSD disturbance can be erased by R/C display key) (Note: EEPROM - factory used only)
Service mode windows
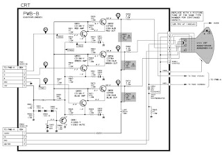
CRT base card circuit diagram [Schematic]
Main board schematic
Click on the schematics to magnify
Service mode adjustments detail
+B Adjustment
[All DC voltages are measured with DVM connected between points indicated and chassis ground, line voltage set at 120V AC and all controls set for normal picture unless otherwise indicated.]
1. Receive a good local channel.
2. Select VIDEO ADJUSTMENT RESET on the menu to get the video reset.
3. Connect a DC voltmeter between the +B line (at SW transformer) of R611 and the ground terminal.
4. Make sure that the voltmeter reads 128.5±1.5V
Video Level (TV Det Video Level) Adjustment
1. Receive a good local channel.
2. Enter the service mode signal category and select the service adjustment "S02".
3. Set the data value to "02" first, and then adjust the data to "04". (If out of spec, readjust the data in the range of "00" to "07" to obtain a normal contrast level.)
RF AGC Adjustment
1. Receive a good local channel.
2. Enter the service mode signal category and select the service adjustment "S01".
3. Set the data value to point where no noise or beat appears.
4. Select another channel to confirm that no noise or beat appears.
Note: You have to exit the service mode first to select another channel.
1. Receive a good local channel.
2. Enter the service mode signal category and select the service adjustment "S01".
3. Set the data value to point where no noise or beat appears.
4. Select another channel to confirm that no noise or beat appears.
Note: You have to exit the service mode first to select another channel.
Screen Adjustment
1. Connect to oscilloscope probe between TP854 and ground of the CRT unit.
2. Receive a good local channel.
3. Enter the service mode Signal category and set the service adjustment "S04" to step 30. Then select the service adjustment "S12" and set the data value to "00" to set the color level to the minimum level. (record the original data first). You may skip this step, if you selected a B/W picture or monoscope pattern. Set also the "S05/S06/S07" data to minimum level ("00").
1. Connect to oscilloscope probe between TP854 and ground of the CRT unit.
2. Receive a good local channel.
3. Enter the service mode Signal category and set the service adjustment "S04" to step 30. Then select the service adjustment "S12" and set the data value to "00" to set the color level to the minimum level. (record the original data first). You may skip this step, if you selected a B/W picture or monoscope pattern. Set also the "S05/S06/S07" data to minimum level ("00").
4. Select the service adjustment "S03" and set the data value to "01" to turn off the luminance signal (Y-mute).
5. Select the service adjustment "S14" and adjust the data value to obtain 2.35 volts.
6. Adjust the master screen control until the raster darkens to the point where raster is barely seen.
7. Adjust the service adjustment "S05" red, "S06" green, "S07" blue to obtain a good grey scale with normal white at low brightness level.
8. Select the service a adjustment "S03" and reset data to "00". Select the service adjustment "S12" and reset data to obtain normal color level.
9. Remove probe and reset the master screen control to obtain normal brightness range.
White Balance Adjustment
1. Receive a good local channel.
2. Select the service adjustment "S12" and set the data value to "00" to set the color level to the minimun. You may skip this step, if you selected a B/W picture or monoscope.
3. Alternately adjust the service adjustment data of "S08" and "S09" until a good grey scale with normal white is obtained.
4. Select the service adjustment "S12" and reset data to obtain normal color level.
Sub-Picture Adjustment
1. Receive a good local channel.
2. Make sure the customer picture control is set to maximum.
3. Enter the service mode and select the service adjustment "S10".
4. Adjust the data value to achieve normal contrast range.
1. Receive a good local channel.
2. Make sure the customer picture control is set to maximum.
3. Enter the service mode and select the service adjustment "S10".
4. Adjust the data value to achieve normal contrast range.
Sub-Tint Adjustment
1. Receive a good local channel.
2. Set the customer tint control to the center of it’s range.
3. Enter the service mode and select the service adjustment "S11".
4. Adjust "S11" data value to obtain normal fresh tones.
1. Receive a good local channel.
2. Set the customer tint control to the center of it’s range.
3. Enter the service mode and select the service adjustment "S11".
4. Adjust "S11" data value to obtain normal fresh tones.
Sub-Color Adjustment
1. Receive a good local channel.
2. Make sure the customer color control is set to center position.
3. Enter the service mode and select the service adjustment "S12".
4. Adjust "S12" data value to obtain normal color level.
1. Receive a good local channel.
2. Make sure the customer color control is set to center position.
3. Enter the service mode and select the service adjustment "S12".
4. Adjust "S12" data value to obtain normal color level.
Sub-Brightness Adjustment
1. Receive a good local channel.
2. Make sure the customer brightness control is set to center position.
3. Enter the service mode and select the service adjustment "S13".
4. Adjust "S13" data value to obtain normal brightness level.
1. Receive a good local channel.
2. Make sure the customer brightness control is set to center position.
3. Enter the service mode and select the service adjustment "S13".
4. Adjust "S13" data value to obtain normal brightness level.
Vertical-Size, V-Linearity and V-S Correction Adjustments
1. Receive a good local channel.
2. Enter the service mode DEF category and select the adjustment "D02" for Vertical Size, "D05" for VLinearity and "D06" for V-S Correction Adjustment.
3. Set in order "D05" for V-Linearity, "D06" for V-S Correction and set the data to get the best linearity.
4. Then adjust "D02" data until it become a proper vertical size.
1. Receive a good local channel.
2. Enter the service mode DEF category and select the adjustment "D02" for Vertical Size, "D05" for VLinearity and "D06" for V-S Correction Adjustment.
3. Set in order "D05" for V-Linearity, "D06" for V-S Correction and set the data to get the best linearity.
4. Then adjust "D02" data until it become a proper vertical size.
Horizontal Position Adjustment
1. Receive a good local channel.
2. Enter the service mode DEF category and select the adjustment "D01".
3. Adjust "D01" data value to center the picture.
Vertical-Phase Adjustment
1. Receive a good local channel.
2. Enter the service mode DEF category and select the adjustment "D03".
3. Adjust "D03" bus data to get the most acceptable vertical position.
Note: The step range is 20 (32)+12 (3 steps)/ -20 (5 steps).
(Push once move 4 steps.)
1. Receive a good local channel.
2. Enter the service mode DEF category and select the adjustment "D01".
3. Adjust "D01" data value to center the picture.
Vertical-Phase Adjustment
1. Receive a good local channel.
2. Enter the service mode DEF category and select the adjustment "D03".
3. Adjust "D03" bus data to get the most acceptable vertical position.
Note: The step range is 20 (32)+12 (3 steps)/ -20 (5 steps).
(Push once move 4 steps.)
Caption Position Adjustment (Horizontal)
1. Receive a good local channel.
2. Enter the service mode DEF category and select the adjustment "D04".
3. A black text box will appear on the screen.
1. Receive a good local channel.
2. Enter the service mode DEF category and select the adjustment "D04".
3. A black text box will appear on the screen.
4. Adjust "D04" data value to balance the text box position in the center. (A=B).
MTS ADJUSTMENT
MTS Level Adjustment
1. Feed the following monaural signal to pin (14) of IC3001. Monaural signal: 300Hz, 245mVrms
2. Connect the rms voltmeter to pin (39) of IC3001.
3. Enter the service mode and select the service adjustment "M01".
4. Adjust the data so that the rms voltmeter reads 490 ±10mVrms.
MTS Level Adjustment
1. Feed the following monaural signal to pin (14) of IC3001. Monaural signal: 300Hz, 245mVrms
2. Connect the rms voltmeter to pin (39) of IC3001.
3. Enter the service mode and select the service adjustment "M01".
4. Adjust the data so that the rms voltmeter reads 490 ±10mVrms.
MTS VCO Adjustment
1. Keep the unit in no-signal state.
2. Connect the frequency counter to pin (39) of IC3001.
3. Connect a capacitor (100µF, 50V) in between positive(+) side of C3005 and ground.
4. Enter the service mode and select the service adjustment "M02"
5. Adjust the data so that the frequency counter reads 62.94 ±0.75kHz.
1. Keep the unit in no-signal state.
2. Connect the frequency counter to pin (39) of IC3001.
3. Connect a capacitor (100µF, 50V) in between positive(+) side of C3005 and ground.
4. Enter the service mode and select the service adjustment "M02"
5. Adjust the data so that the frequency counter reads 62.94 ±0.75kHz.
Filter Adjustment
1. Feed the following stereo pilot signal to pin (14) of IC3001.
Stereo pilot signal: 9.4kHz, 600mVrms.
2. Enter the service mode and select the service adjustment "M03".
3. Adjust the data at the point where "OK" appears on the screen. The "OK" represents the approximate center of the adjustable range of the data.
Separation Adjustment
1. Connect the rms voltmeter to pin (39) of IC3001.
2. Receive the following composite stereo signal 1.
Composite stereo signal: 30% modulation, left channel only, noise reduction on, 300Hz
3. Enter the service mode and select the service adjustment "M04".
4. Adjust the data until the AC voltage reading of the rms voltmeter is minimum.
5. Receive the following composite stereo signal 2.
Stereo signal: 30% modulation, left channel only, noise reduction on, 3kHz
6. Enter the service mode and select the service adjustment "M05".
7. Adjust the data until the AC voltage reading of the rms voltmeter is minimum.
8. Take the above steps 1 thru 7 again for fine adjustment.
1. Feed the following stereo pilot signal to pin (14) of IC3001.
Stereo pilot signal: 9.4kHz, 600mVrms.
2. Enter the service mode and select the service adjustment "M03".
3. Adjust the data at the point where "OK" appears on the screen. The "OK" represents the approximate center of the adjustable range of the data.
Separation Adjustment
1. Connect the rms voltmeter to pin (39) of IC3001.
2. Receive the following composite stereo signal 1.
Composite stereo signal: 30% modulation, left channel only, noise reduction on, 300Hz
3. Enter the service mode and select the service adjustment "M04".
4. Adjust the data until the AC voltage reading of the rms voltmeter is minimum.
5. Receive the following composite stereo signal 2.
Stereo signal: 30% modulation, left channel only, noise reduction on, 3kHz
6. Enter the service mode and select the service adjustment "M05".
7. Adjust the data until the AC voltage reading of the rms voltmeter is minimum.
8. Take the above steps 1 thru 7 again for fine adjustment.



