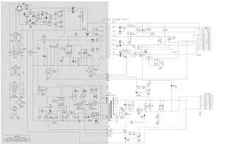
No power
Fuse & bridge diode
Check and replace F901, BD901, TH901, TH903 on SMPS board.
Check if the fuse F901 has open or short-circuit.Check and replace F901, BD901, TH901, TH903 on SMPS board.
Check if the bridge diode BD901 has short-circuit by over current, with a multi meter.
Check if the NTC thermistor TH901 and TH902 is normal or open.
Check if the NTC thermistor TH901 and TH902 is normal or open.
Click on the pictures to magnify
The unit doesn’t work, no power problem
Check the Anode-Cathode Voltage of D951 with a digital multi-meter, it is normally 0.2 ~ 0.3 V. If it doesn’t have any voltage, it has been damaged. Replace it with a new one.
Check if ZD951 is short-circuited.
Check if ZD951 is short-circuited.
If it has short-circuit, replace it with a new one.
SMPS Circuit diagram
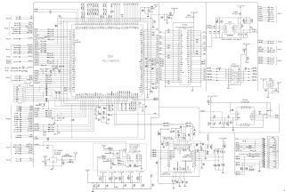
DSP (Digital Signal Porocessing) schematic
Micro-controller (MICOM) schematic
PWM Schematic
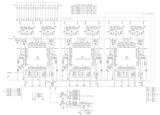
Servo schematic
Main amplifier schematic








