Quantcast
Channel: Electro help
Viewing all articles
Browse latest Browse all 2033

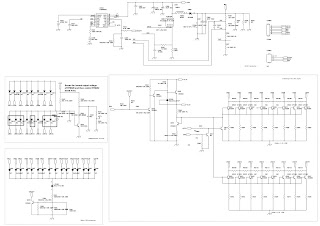
Philips 221TE4l 21.5 inch full HD LCD TV Power board schematic – 715G4313

$
0
0

221TE4L (715G4313-P03-000-0030) – Philips 21 inch LCD TV SMPS circuit diagram
Used ICs: LD7576AGR, AOT8N65(FET), RT8482GS
Power board PWB and schematic
Click on the pictures to magnify


Viewing all articles
Browse latest Browse all 2033

Trending Articles



<script src="https://jsc.adskeeper.com/r/s/rssing.com.1596347.js" async> </script>