Philips L05HD – CRT TV – Power supply section circuit diagram and working principles.
The L05HD TV chassis is designed for the model year 2005.This set is High Definition ready with an NTSC tuning system. To receive the ATSC channels a set top box is required.
Press the Menu button to make a selection. Press the Cursor up-down buttons on the remote to highlight the desired selection. Press the right Cursor button to make the selection.
The NTSC tuning system features 181 channels with on-screen display. The main tuning system uses a tuner, a microcomputer, and a memory IC mounted on the main panel. The
microcomputer communicates with the memory IC, Remote Receiver, Tuner, Signal processing IC, and HD processing section. The Memory IC retains the settings for favorite stations, customer-preferred settings, and circuit settings. The circuit settings can be accessed by the service technician via the Service Alignment mode.
microcomputer communicates with the memory IC, Remote Receiver, Tuner, Signal processing IC, and HD processing section. The Memory IC retains the settings for favorite stations, customer-preferred settings, and circuit settings. The circuit settings can be accessed by the service technician via the Service Alignment mode.
The On-screen graphics and Closed Caption decoding are done within IC 7206 located on the HD panel. They are added to the main signal in the Display Processor, 7221, located on the HD panel.
Press the Menu button on the remote and press the Cursor up-down button to obtain the screens.
Setting up the access code.
1. Press the Menu button on the remote to display the on-screen menu.
2. Press the Cursor up or down buttons until the word features are highlighted.
3. Press the Cursor right button to display the features menu options.
4. Press the Cursor up or down buttons until the words auto lock is highlighted.
5. Press the Cursor right button. The screen will read, “Access Code ----”
6. Using the number buttons, enter 0, 7, 1, 1. [XXXX will appear as you press the buttons.]
Incorrect code will appear on the screen. Enter 0711 again.
7. The screen will ask you to enter a new code. Enter any 4 digit code.
2. Press the Cursor up or down buttons until the word features are highlighted.
3. Press the Cursor right button to display the features menu options.
4. Press the Cursor up or down buttons until the words auto lock is highlighted.
5. Press the Cursor right button. The screen will read, “Access Code ----”
6. Using the number buttons, enter 0, 7, 1, 1. [XXXX will appear as you press the buttons.]
Incorrect code will appear on the screen. Enter 0711 again.
7. The screen will ask you to enter a new code. Enter any 4 digit code.
Main SM Power Supply Block
When the set is turned On, the "B" line from the Hercules processor goes High switching 7547 which turns 7535, 7509, and 7545 On. The +3V3A, +6VA, +12VA, and +8VA supplies are then switched On. The load placed on the Aux Power supply will cause it to switch to the full power mode. At the same time, the STBY line switches Low turning the Main SMPS supply On. The supply produces a +6 volt, +140 volt, -16 volt, and +16 volt supplies.
The +Vaudio (+16 volt) supply switches on the degauss relay.
The +Vaudio (+16 volt) supply switches on the degauss relay.
Main SMPS schematic
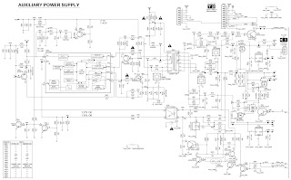
Auxiliary Power Supply
IC 7510 is the heart of the Auxiliary Power supply. In the Standby mode, VIA the current sensing and Control circuits, a low power condition is detected by the IC. The IC then goes into a Burst Mode operation to reduce the power used by the circuit. In the Burst Mode, the supply will operate at approximately 25 kHz. In full power operation the frequency will be approximately 66 kHz.
When power is first applied to the set, Start up is supplied to the IC by the internal Start-Up current through Pin 14. Startup voltage is also applied to the IC to Pin 2 by the AC_IN line which is tied to the neutral side of the AC line. During normal operation, power is supplied to the IC by the HOT windings, Pins 1 and 2, of transformer 5504. Output drive from Pin 11 is applied to the Gate of Transistor 7525. Voltage developed across the current sensing resistors in the Source of 7525 provides current sense information to the IC. When 7525 is switched Off, the voltage on Pin 1 of 5504 goes High. This winding supplies the operating voltage the power supply circuit. It also turns Transistor 7567 On causing the Gate of 7525 to stay Low as long as Pin 1 of 5504 is High. This prevents 7525 from turning On until the field of 5504 has collapsed.
Auxiliary Power Supply Schematic
Regulation is accomplished by monitoring the +3 volt supply. This voltage is fed to Shunt regulator 7542 which controls the current through opto-isolator 7516. Shunt Regulator 7542 begins conducting when Pin 3 of the IC reaches 2.5 volts. At this point current flows through the opto-isolator, 7516. The transistor inside 7516 turns On applying a control voltage to Pin 6 of 7510. If a problem should develop in the feedback circuit causing an excessive voltage on Pin 6, Transistor 7549-2 will turn On, switching Transistor 7532 On. This will a voltage to the Demag circuit on Pin 7 causing the IC to latch Off. The IC will stay latched until power is removed and reapplied to the set.
In the Standby mode, the "B" control line from the Hercules Processor is Low. Only the +3, +3V3, and +6 volt supplies are present. When the set is turned On, the "B" line will go High, turning Transistors 7509, 7545, and 7535 On. This will switch On the +8VA, +12VA, +8V, +3V3A, +6VA, and +5V supplies.
In normal operation, voltage from Pin 12 of 5504 is rectified by 6540 to produce a negative voltage which prevents Transistor 7561 from turning On. If AC is removed from the set, this negative voltage will disappear. The voltage across the filter capacitors on the +3V line will turn 7561 On. The Power Down line will then go Low signaling the processor to shut the set down.
In normal operation, voltage from Pin 12 of 5504 is rectified by 6540 to produce a negative voltage which prevents Transistor 7561 from turning On. If AC is removed from the set, this negative voltage will disappear. The voltage across the filter capacitors on the +3V line will turn 7561 On. The Power Down line will then go Low signaling the processor to shut the set down.
The Main Power supply provides the VBAT (141 volt), and Audio voltage supplies. This supply is switched Off during the Standby mode. During Standby the STBY_Con line is High which turns Transistor 7573 On. This causes the opto-isolator 7513 to turn On hard. This places a higher voltage on the control Pin of IC 7511 causing the IC to shut down. The operating voltage from the Auxiliary supply keeps a small voltage on Pin 2 of 7511 to prevent it from cycling On and Off. Output from Pin 11 of 7511 drives FET 7512 which drives Transformer 5512. When Pin 2 of 5512 goes High, Transistor 7514 is switched On turning 7512 Off. This is to prevent 5512 from becoming saturated.
When the set is turned On, the STBY_Con line goes Low switching 7573 Off. The VBAT supply is the reference voltage for regulation. Since this voltage is missing during startup, the Shunt Regulator 7571 is turned Off. The voltage on Pin 6 of 7511 goes Low, which turns the drive from the IC On. When the set is On during normal operation, the supply voltage on Pin 2 of the IC is supplied by Pin 2 of Transformer 5512. When the VBAT supply reaches the correct voltage, Pin 3 of the Shunt Regulator 7571 reaches 2.5 volts switching it On. This switches the opto-isolator On to provide a regulation feedback path.
Transistor 6551 provides a power on ramping of the VBAT supply.
Service Alignment Mode SAM
Making changes in the settings requires entering the SAM. To enter SAM, press [06 2 5 9 6
Making changes in the settings requires entering the SAM. To enter SAM, press [06 2 5 9 6
Info] on the remote control. Use the cursor-up and cursor-down buttons to highlight a selection. Press the cursor-right, cursor-left buttons, or enter a value to make changes.




