Used with Sharp LC39LD145, Finlux, Techwood 50A028, Vestel 49 inch LCD TV, Logik L24HEDPq4, Telefunken D32H278KT, Philips 40PFL3008H and more brand LCD TVs
17MB82S Vestel main board is driven by MediaTek MT5820. This IC is capable of handling Video and audio processing, Scaling-Display processing, 3D comb filter, OSD and text processing, LVDS/mini-LVDS transmitting, channel and MPEG2/4 decoding, integrated DVB-T/C demodulator and media center functionality.
TV supports PAL, SECAM, NTSC color standards and multiple transmission standards as B/G, D/K, I/I’, and L/L’ including German and NICAM stereo. Also DVB T, DVB-C is supported internal demodulators of MediaTek IC and DVB-S/S2 is supported with external demodulator.
Sound system output is supplying max. 2x8W ( less 10%THD at max output) for stereo 8Ω speakers.
Supported peripherals are:
1 RF input VHF I, VHF III, UHF @ 75Ohm(Common)
1 Side AV (CVBS, R/L_Audio)
1 SCART socket(Common)
1 PC input(Common)
2 HDMI 1.3 input(1 HDMI input is common, 1 input is optional)
1 S/PDIF output(Optional)
1 Headphone(Optional)
1 Common interface(Common)
2 USB(1 USB input is common, 1 USB input is optional)
1 On-board Keypad(Optional)
1 External Touchpad(Optional)
TV supports PAL, SECAM, NTSC color standards and multiple transmission standards as B/G, D/K, I/I’, and L/L’ including German and NICAM stereo. Also DVB T, DVB-C is supported internal demodulators of MediaTek IC and DVB-S/S2 is supported with external demodulator.
Sound system output is supplying max. 2x8W ( less 10%THD at max output) for stereo 8Ω speakers.
Supported peripherals are:
1 RF input VHF I, VHF III, UHF @ 75Ohm(Common)
1 Side AV (CVBS, R/L_Audio)
1 SCART socket(Common)
1 PC input(Common)
2 HDMI 1.3 input(1 HDMI input is common, 1 input is optional)
1 S/PDIF output(Optional)
1 Headphone(Optional)
1 Common interface(Common)
2 USB(1 USB input is common, 1 USB input is optional)
1 On-board Keypad(Optional)
1 External Touchpad(Optional)
MxL601 is a highly integrated low-power silicon tuner IC targeting all global analog and digital cable standards as well as digital terrestrial reception standards. Broadband input filtering and channel filtering have been completely integrated on-chip. This integration enables a very compact design requiring a small footprint, low bill-of-materials cost, and low power consumption. A signal at the 753 RF input is filtered and converted to a programmable IF output up to 44MHz. Automatic gain control, LO generation, and channel selectivity functions are completely integrated on the chip, which simplifies board level design. All functions of the IC can be controlled via I2C interface. MxL601 is available in a 4 x 4 mm2 24-pin QFN package.
Features :
* Tuning range from 44MHz to 1002MHz
* Programmable channel bandwidths of 6, 7,and 8MHz
* Integrated channel filtering requiring no external SAW filter for digital applications
Features :
* Tuning range from 44MHz to 1002MHz
* Programmable channel bandwidths of 6, 7,and 8MHz
* Integrated channel filtering requiring no external SAW filter for digital applications
* Low power consumption with 3.3V and1.8V dual-supply operation351 mW (Digital Terrestrial)
* On-chip voltage regulator enables single supply 3.3V operation
* Programmable IF frequency and IF spectrum inversion
* Reference clock output available for re-use by demodulators and additional tuners in multi-channel applications
* Input power reporting
* General purpose open-drain output GPO available for controlling off-chip circuitry
* Integrated on-chip programmable loading capacitors for the reference crystal
* I2C-compatible digital control interface
* RoHS compliance.
* On-chip voltage regulator enables single supply 3.3V operation
* Programmable IF frequency and IF spectrum inversion
* Reference clock output available for re-use by demodulators and additional tuners in multi-channel applications
* Input power reporting
* General purpose open-drain output GPO available for controlling off-chip circuitry
* Integrated on-chip programmable loading capacitors for the reference crystal
* I2C-compatible digital control interface
* RoHS compliance.
The TAS5721 is a 15-W stereo or 2x10 W + 1x15 W2.1 device, efficient, digital audio-power amplifier for driving stereo bridge-tied speakers. One serial data input allows processing of up to two discrete audio channels and seamless integration to most digital audio processors and MPEG decoders. The device accepts a wide range of input data and data rates. A fully programmable data path routes these channels to the internal speaker drivers. The TAS5721 is a slave-only device receiving all clocks from external sources. The TAS5721 operates with a PWM carrier between a 384-kHz switching rate and a 352-KHz switching rate, depending on the input sample rate. Oversampling combined with a fourth- order noise shaper provides a flat noise floor and excellent dynamic range from 20 Hz to 20 kHz.
Features
• Audio Input/output
* 15Wx2 into 8Ω
* Supports Single Device 0.1, 2.0, 2.1 Modes
* Wide PVDD Range, From 4.5 V to 26 V Performance
* Efficient Class-D Operation Eliminates Need for Heat sinks
* Requires Only 3.3 V and PVDD
* One Serial Audio Input (Two Audio Channels)
* I2C Address Selection via PIN (Chip Select)
* Supports 8-kHz to 48-kHz Sample Rate (LJ/RJ/I2S)
* External Headphone-Amplifier Shutdown Signal
* Integrated CAP‐Free Headphone Amplifier
* Stereo Headphone (Stereo 2‐V RMS Line Driver) Outputs
• Audio/PWM Processing
* Independent Channel Volume Controls With The 24-dB to Mute
* Separate Dynamic Range Control for Satellite and Sub Channels
* 21 Programmable Biquads for Speaker EQ
* Programmable Coefficients for DRC Filters
* DC Blocking Filters
* Support for 3D Effects
• General Features
* Serial Control Interface Operational Without MCLK
* Factory-Trimmed Internal Oscillator for Automatic Rate Detection
* Surface Mount, 48-Pin, 7-mm × 7-mm HTQFP Package
* Thermal and Short-Circuit Protection
Features
• Audio Input/output
* 15Wx2 into 8Ω
* Supports Single Device 0.1, 2.0, 2.1 Modes
* Wide PVDD Range, From 4.5 V to 26 V Performance
* Efficient Class-D Operation Eliminates Need for Heat sinks
* Requires Only 3.3 V and PVDD
* One Serial Audio Input (Two Audio Channels)
* I2C Address Selection via PIN (Chip Select)
* Supports 8-kHz to 48-kHz Sample Rate (LJ/RJ/I2S)
* External Headphone-Amplifier Shutdown Signal
* Integrated CAP‐Free Headphone Amplifier
* Stereo Headphone (Stereo 2‐V RMS Line Driver) Outputs
• Audio/PWM Processing
* Independent Channel Volume Controls With The 24-dB to Mute
* Separate Dynamic Range Control for Satellite and Sub Channels
* 21 Programmable Biquads for Speaker EQ
* Programmable Coefficients for DRC Filters
* DC Blocking Filters
* Support for 3D Effects
• General Features
* Serial Control Interface Operational Without MCLK
* Factory-Trimmed Internal Oscillator for Automatic Rate Detection
* Surface Mount, 48-Pin, 7-mm × 7-mm HTQFP Package
* Thermal and Short-Circuit Protection
POWER STAGE
The DC voltages required at various parts of the chassis and panel are provided by a main power supply unit. MB82S chassis can operate with PW05, IPS60, IPS70, IPS16, IPS17, IPS19, PW25, PW26, PW82-3, PW03, PW04, PW06, PW07 as main power supply and also with 12V adaptor.
Which power board can be used for board to board or cable connection?
Board to board (BTB) : PW05, IPS60, IPS70, IPS16, IPS17, IPS19
Power Cable : PW25, PW26, PW82-3, PW03, PW04, PW06, PW07
The power supplies generate 24V, 12V, 5V, 3,3V and 12V, 5V, 3.3V stand by mode DC voltages. Power stage which is on-chassis generates 5V, 3V3 stand by voltage and 12V, 8V, 5V, 3V3, 2.5V, 1,8V and 1,2V supplies for other different parts of the chassis. Chassis block diagram is indicated below.
The blocks on power block diagram is using dependent to main supply. For PW26 and PW27 just common blocks are enough for proper operation.
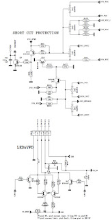
Short CCT Protection Circuit
Short circuit protection is necessary for protecting chassis and main IC against damages when any Vcc supply shorts to ground. Protect pin should be logic high while normal operation. When there is a short circuit protect pin should be logic low. After any short detection, SW forces LEDs on LED card to blink.
The DC voltages required at various parts of the chassis and panel are provided by a main power supply unit. MB82S chassis can operate with PW05, IPS60, IPS70, IPS16, IPS17, IPS19, PW25, PW26, PW82-3, PW03, PW04, PW06, PW07 as main power supply and also with 12V adaptor.
Which power board can be used for board to board or cable connection?
Board to board (BTB) : PW05, IPS60, IPS70, IPS16, IPS17, IPS19
Power Cable : PW25, PW26, PW82-3, PW03, PW04, PW06, PW07
The power supplies generate 24V, 12V, 5V, 3,3V and 12V, 5V, 3.3V stand by mode DC voltages. Power stage which is on-chassis generates 5V, 3V3 stand by voltage and 12V, 8V, 5V, 3V3, 2.5V, 1,8V and 1,2V supplies for other different parts of the chassis. Chassis block diagram is indicated below.
The blocks on power block diagram is using dependent to main supply. For PW26 and PW27 just common blocks are enough for proper operation.
Short CCT Protection Circuit
Short circuit protection is necessary for protecting chassis and main IC against damages when any Vcc supply shorts to ground. Protect pin should be logic high while normal operation. When there is a short circuit protect pin should be logic low. After any short detection, SW forces LEDs on LED card to blink.
MT5820 (Main IC) (U1)
The MediaTek MT5820 family consists of a backend decoder and a TV controller and offers high integration for advanced applications. It combines a transport de-multiplexer, a high definition video decoder, an audio decoder, a dual-link LVDS transmitter, a mini-LVDS transmitter, an EPI transmitter and an NTSC/PAL/SECAM TV decoder with a 3D comb filter (NTSC/PAL). The MT5820 enables consumer electronics manufactures to build high quality, low cost and feature-rich DTV.
World-Leading Audio/Video Technology: The MT5820 supports Full-HD MPEG1/2/4/h.264/DiviX/VC1/RM/AVS/VP6/VP8 (option) video decoder standards, and JPEG. The MT5820 also supports MediaTek MDDiTM de-interlace solution can reach very smooth picture quality for motions. A 3D comb filter added to the TV decoder recovers great details for still pictures. The special color processing technology provides natural, deep colors and true studio quality video. Also, the MT5820 family has built-in high resolution and high-quality audio codec.
Rich Features for High Value Products: The MT5820 family enables true single-chip experience. It integrates high-quality HDMI1.4a, high speed VGA ADC, LVDS, mini-LVDS, EPI, USB2.0 receiver, TCON (option), panel overdrive (option).
WW Common Platform Capability: Reserved transport stream input is for external demodulator for other countries or areas. TV maker can easily port the same UI to worldwide TV models. Excellent adjacent and co-channel rejection capability grants customers never miss any wonderful stream. Professional error-concealment provides stable, smooth and mosaic-free video quality.
Key Features:
1. Worldwide multi-standard analog TV demodulator
2. Powerful CPU core
3. A transport de-multiplexer
4. A muti-standard video decoder
5. Rich format audio codec
6. HDMI1.4a receiver
7. Local dimming (LED backlight) (option)
8. TCON (option)
9. Panel overdrive control (option)
10. LVDS, mini-LVDS, EPI
Note: All packages are lead free.
The MediaTek MT5820 family consists of a backend decoder and a TV controller and offers high integration for advanced applications. It combines a transport de-multiplexer, a high definition video decoder, an audio decoder, a dual-link LVDS transmitter, a mini-LVDS transmitter, an EPI transmitter and an NTSC/PAL/SECAM TV decoder with a 3D comb filter (NTSC/PAL). The MT5820 enables consumer electronics manufactures to build high quality, low cost and feature-rich DTV.
World-Leading Audio/Video Technology: The MT5820 supports Full-HD MPEG1/2/4/h.264/DiviX/VC1/RM/AVS/VP6/VP8 (option) video decoder standards, and JPEG. The MT5820 also supports MediaTek MDDiTM de-interlace solution can reach very smooth picture quality for motions. A 3D comb filter added to the TV decoder recovers great details for still pictures. The special color processing technology provides natural, deep colors and true studio quality video. Also, the MT5820 family has built-in high resolution and high-quality audio codec.
Rich Features for High Value Products: The MT5820 family enables true single-chip experience. It integrates high-quality HDMI1.4a, high speed VGA ADC, LVDS, mini-LVDS, EPI, USB2.0 receiver, TCON (option), panel overdrive (option).
WW Common Platform Capability: Reserved transport stream input is for external demodulator for other countries or areas. TV maker can easily port the same UI to worldwide TV models. Excellent adjacent and co-channel rejection capability grants customers never miss any wonderful stream. Professional error-concealment provides stable, smooth and mosaic-free video quality.
Key Features:
1. Worldwide multi-standard analog TV demodulator
2. Powerful CPU core
3. A transport de-multiplexer
4. A muti-standard video decoder
5. Rich format audio codec
6. HDMI1.4a receiver
7. Local dimming (LED backlight) (option)
8. TCON (option)
9. Panel overdrive control (option)
10. LVDS, mini-LVDS, EPI
Note: All packages are lead free.
Host CPU
ARM11 single core 700MHz
Floating Point Unit
16K I-Cache and 16K D-Cache for ARM11 core
128K L2 Cache
Boot ROM
Boot from serial flash, NAND flash
Supports security boot
JTAG ICE interface
Watch Dog timers
ARM11 single core 700MHz
Floating Point Unit
16K I-Cache and 16K D-Cache for ARM11 core
128K L2 Cache
Boot ROM
Boot from serial flash, NAND flash
Supports security boot
JTAG ICE interface
Watch Dog timers
Transport Demultiplexer
New generation 2 demux design for transport stream (TS) process
New generation 2 demux design for transport stream (TS) process
Supports 1 serial TS input
Supports DVB-T/T2, DVB-C, DVB-S/S2, ARIB and DTMB TS input data rate and format
Supports multi standard hardware engines for TS encryption or decryption
Up to12 even/odd keys for playback decryption use; 4 even/odd keys for playback for record encryption
Supports 80 PID filters for playback use and another 64 PID filters for record use
Supports 80 section filters with bit-wise positive / negative mask
Supports hardware CRC-32 check
Supports PCR recovery function without VCXO
Supports a micro-processor for stream processing and video start code detection.
Supports DVB-T/T2, DVB-C, DVB-S/S2, ARIB and DTMB TS input data rate and format
Supports multi standard hardware engines for TS encryption or decryption
Up to12 even/odd keys for playback decryption use; 4 even/odd keys for playback for record encryption
Supports 80 PID filters for playback use and another 64 PID filters for record use
Supports 80 section filters with bit-wise positive / negative mask
Supports hardware CRC-32 check
Supports PCR recovery function without VCXO
Supports a micro-processor for stream processing and video start code detection.
General Copy Protection Unit
Supports CPPM/CPRM
Supports AES with 128/192/256 bit key
Supports AACS
Supports DES/3DES
Supports SHA-1/224/256
Supports MD5
Supports CSS
Supports RC4
Random number generator
MPEG1 Decoder
MPEG2 Decoder
MPEG MP@ML, MP@HL
Supports de-blocking filter
Full-HD 30P dual decoder
MPEG4 Decoder (option)
ASP@L5
Full-HD 30P dual decoder
Supports CPPM/CPRM
Supports AES with 128/192/256 bit key
Supports AACS
Supports DES/3DES
Supports SHA-1/224/256
Supports MD5
Supports CSS
Supports RC4
Random number generator
MPEG1 Decoder
MPEG2 Decoder
MPEG MP@ML, MP@HL
Supports de-blocking filter
Full-HD 30P dual decoder
MPEG4 Decoder (option)
ASP@L5
Full-HD 30P dual decoder
H.264 (MPEG4.10 / AVC) HD Decoder (option)
MP@L4.0, HP@L4.0, constrained BP@L3 video standard
Full-HD 30P dual decoder
VC-1 (SMPTE421M) Decoder (option)
MP@HL, AP@L3
WMV9 decoder MP@HL
Full-HD 30P dual decoder
DivX (XviD) Decoder (option)
DIVX3 / DIVX4 / DIVX5 / DIVX6 / DIVX HD
Full-HD 30P dual decoder
AVS Decoder (option)
Jizhun profile @Level 6.2 (supports 4:2:0 format)
Full-HD 30P dual decoder
RMVB Decoder (option)
RealVideo8/9/10
Full-HD 30P dual decoder
VP6 Decoder (option)
VP8 Decoder (option)
Supports 3D side-by-side Full-HD contents
Full-HD 30P dual decoder
MVC
H.264 stereo high profile Full-HD 60fps
2D Graphics
Supports multiple color modes
Point, horizontal/vertical line primitive drawings
Rectangle fill and gradient fill functions
Bitblt with transparent options
Alpha blending and optional pre-multiplied alpha composition Bitblt
Stretch Bitblt
YCbCr to RGB color space conversion
Supports index to direct mode bitblt
Image Resize
Supports 16bpp/32bpp direct color format
Supports 420/422 video format
Supports 420/422/444 JPEG format
Arbitrary ratio vertical/horizontal scaling of video, from 1/128X to 128X
Simple DMA
Supports MMU in OSD mode
OSD Plane
Three linking list OSDs with multiple color mode and all of them have up-scaler
Supports stereo OSD.
MP@L4.0, HP@L4.0, constrained BP@L3 video standard
Full-HD 30P dual decoder
VC-1 (SMPTE421M) Decoder (option)
MP@HL, AP@L3
WMV9 decoder MP@HL
Full-HD 30P dual decoder
DivX (XviD) Decoder (option)
DIVX3 / DIVX4 / DIVX5 / DIVX6 / DIVX HD
Full-HD 30P dual decoder
AVS Decoder (option)
Jizhun profile @Level 6.2 (supports 4:2:0 format)
Full-HD 30P dual decoder
RMVB Decoder (option)
RealVideo8/9/10
Full-HD 30P dual decoder
VP6 Decoder (option)
VP8 Decoder (option)
Supports 3D side-by-side Full-HD contents
Full-HD 30P dual decoder
MVC
H.264 stereo high profile Full-HD 60fps
2D Graphics
Supports multiple color modes
Point, horizontal/vertical line primitive drawings
Rectangle fill and gradient fill functions
Bitblt with transparent options
Alpha blending and optional pre-multiplied alpha composition Bitblt
Stretch Bitblt
YCbCr to RGB color space conversion
Supports index to direct mode bitblt
Image Resize
Supports 16bpp/32bpp direct color format
Supports 420/422 video format
Supports 420/422/444 JPEG format
Arbitrary ratio vertical/horizontal scaling of video, from 1/128X to 128X
Simple DMA
Supports MMU in OSD mode
OSD Plane
Three linking list OSDs with multiple color mode and all of them have up-scaler
Supports stereo OSD.
Video Plane
Supports video freeze and over scan
Flesh tone management
Gamma correction
Color Transient Improvement (CTI)
2D Peaking
Saturation/hue adjustment
Brightness and contrast adjustment
Black and White level extender
Adaptive Luma management
Automatic detect video, film and mixed-mode source
3:2/2:2 pull down source detection
Supports FHD motion-adaptive de-interlace
Supports excellent low angle image processing
Brilliant boundary shaping for moving object
Advanced non-linear panorama scaling
Programmable zoom viewer
Progressive scan output
Supports alpha blending for OSD on video plane
Dithering processing for flat panel display
Frame rate conversion
Supports FHD panel and VGA dot-to-dot
Supports PIP/POP, (dual de-interlace, one HD and one SD)
OD (option)
Supports 60Hz Full-HD and WXGA panel over drive
TCON (option)
Flexible timing control with programmable timing
Horizontal timing control
Vertical timing control
Multi-line timing control
Multi-frame timing control
Supports gate power modulation timing
Supports command-based timing
Supports POL inversion every 30 seconds
Supports 1/2/4/8 frame inversion, 1-line inversion, 2-line inversion, and could up to 255-
line dot inversion
Local Dimming
Block division: up to 800 total blocks, up to 100 horizontal blocks
Supports 50K ~ 50M SPI clock rate
LVDS
Supports 6/8/10-bit one-link, 6/8/10-bit dual-link LVDS transmitter
Built-in spread spectrum for EMI performance
Programmable panel timing output
Mini-LVDS
Dual port 8-bit 6 pairs mini-LVDS output.
Supports video freeze and over scan
Flesh tone management
Gamma correction
Color Transient Improvement (CTI)
2D Peaking
Saturation/hue adjustment
Brightness and contrast adjustment
Black and White level extender
Adaptive Luma management
Automatic detect video, film and mixed-mode source
3:2/2:2 pull down source detection
Supports FHD motion-adaptive de-interlace
Supports excellent low angle image processing
Brilliant boundary shaping for moving object
Advanced non-linear panorama scaling
Programmable zoom viewer
Progressive scan output
Supports alpha blending for OSD on video plane
Dithering processing for flat panel display
Frame rate conversion
Supports FHD panel and VGA dot-to-dot
Supports PIP/POP, (dual de-interlace, one HD and one SD)
OD (option)
Supports 60Hz Full-HD and WXGA panel over drive
TCON (option)
Flexible timing control with programmable timing
Horizontal timing control
Vertical timing control
Multi-line timing control
Multi-frame timing control
Supports gate power modulation timing
Supports command-based timing
Supports POL inversion every 30 seconds
Supports 1/2/4/8 frame inversion, 1-line inversion, 2-line inversion, and could up to 255-
line dot inversion
Local Dimming
Block division: up to 800 total blocks, up to 100 horizontal blocks
Supports 50K ~ 50M SPI clock rate
LVDS
Supports 6/8/10-bit one-link, 6/8/10-bit dual-link LVDS transmitter
Built-in spread spectrum for EMI performance
Programmable panel timing output
Mini-LVDS
Dual port 8-bit 6 pairs mini-LVDS output.
EPI
6 port, 8/10-bit EPI
CVBS In
On-chip 54 MHz 10-bit video ADC
Supports PAL (B,G,D,H,M,N,I,Nc), NTSC, NTSC-4.43, SECAM
NTSC/PAL supports 3D/2D comb filter
Built-in motion-adaptive 3D Noise Reduction
VBI data slicer for CC/TT decoding
Supports 1 S-Video
Supports 2-channel CVBS
Supports SCART connector
VGA In
Supports VGA input up to UXGA 162 MHz
Supports full VESA standards
Component Video In
Supports 2 component video inputs
Supports 480i / 480p / 576i / 576p / 720p / 1080i / 1080p
Audio ADC
Supports 2-pair L/R input
Audio digital input
Supports 1 bit (2 channel) I2S audio input
HDMI Receiver
Four channel HDMI1.4a
Maximum data rate can be up to 3.3 GHz
Audio return channel
EIA/CEA-861B
CEC
Video bypass
ATV bypass
CVBS Monitor (any AV or S-video input)
TV audio demodulator
Supports BTSC / EIA-J / A2 / NICAM / PAL FM / SECAM world-wide formats
Standard automatic detection
Stereo demodulation, SAP demodulation
Mode selection (Main/SAP/Stereo
Audio DAC
Supports 2-pair audio DACs
DRAM Controller
16-bit DDR2/DDR3 interface
Supports DDR2 1066Mhz, DDR3 1333Mhz
6 port, 8/10-bit EPI
CVBS In
On-chip 54 MHz 10-bit video ADC
Supports PAL (B,G,D,H,M,N,I,Nc), NTSC, NTSC-4.43, SECAM
NTSC/PAL supports 3D/2D comb filter
Built-in motion-adaptive 3D Noise Reduction
VBI data slicer for CC/TT decoding
Supports 1 S-Video
Supports 2-channel CVBS
Supports SCART connector
VGA In
Supports VGA input up to UXGA 162 MHz
Supports full VESA standards
Component Video In
Supports 2 component video inputs
Supports 480i / 480p / 576i / 576p / 720p / 1080i / 1080p
Audio ADC
Supports 2-pair L/R input
Audio digital input
Supports 1 bit (2 channel) I2S audio input
HDMI Receiver
Four channel HDMI1.4a
Maximum data rate can be up to 3.3 GHz
Audio return channel
EIA/CEA-861B
CEC
Video bypass
ATV bypass
CVBS Monitor (any AV or S-video input)
TV audio demodulator
Supports BTSC / EIA-J / A2 / NICAM / PAL FM / SECAM world-wide formats
Standard automatic detection
Stereo demodulation, SAP demodulation
Mode selection (Main/SAP/Stereo
Audio DAC
Supports 2-pair audio DACs
DRAM Controller
16-bit DDR2/DDR3 interface
Supports DDR2 1066Mhz, DDR3 1333Mhz
Supports 512Mb or 1Gb or 2Gb DDR2 and DDR3 DRAM device
Supports DDR2-1066/DDR3-1333/DDR3-1600 device
Audio DSP
Supports AC-3 (Dolby Digital) decoding and E-AC3 (Dolby Digital Plus) decoding (option)
MPEG-1 layer I/II decoding
Supports WMA / HE-AAC (option)
Support Dolby DDCO, and MS10 (option)
Dolby Prologic II (option)
Audio output: 5.1ch + 2ch (down mix) + 2ch(bypass)
Pink noise and white noise generator
Equalizer
Bass management
3D surround processing with virtual surround
Audio and video lip synchronization
Supports bass/treble
Automatic volume control
Supports 5-bit (10-channel) main audio I2S output interface, each of these channels is up
to 24-bit resolution
S/PDIF interface
Supports SPDIF in bypass
SPDIF out
Analog TV IF Demodulator
Supports world-wide analog TV standard
Accept direct IF and low IF
Full digital AGC control and carrier recovery
Embedded SAW filter and IF Amplifier. Cost effective TV front-end structure and no more cost on:
External analog SAW filters (Video/Audio)
External analog IF demodulator
External peripheral circuit on CVBS signal data path
External SAW filter and IF VGA on tuner
Peripherals
Three built-in UARTs with Tx and Rx FIFO
Ten basic serial interfaces: one is for the tuner, four are the masters for general purpose and two of them can be active in standby mode, one is the slave for VGA DDC, the other four extra slave serial interfaces used for HDMI
EDID data
Five PWMs, two of them can be active in standby mode
IR receiver
Real-time clock and watchdog controller
Built-in 2-link USB2.0/1.1, both of them support external hub with 16 endpoints.
Built-in uP for standby mode
Supports SDIO interface
Supports smart card interface.
Supports DDR2-1066/DDR3-1333/DDR3-1600 device
Audio DSP
Supports AC-3 (Dolby Digital) decoding and E-AC3 (Dolby Digital Plus) decoding (option)
MPEG-1 layer I/II decoding
Supports WMA / HE-AAC (option)
Support Dolby DDCO, and MS10 (option)
Dolby Prologic II (option)
Audio output: 5.1ch + 2ch (down mix) + 2ch(bypass)
Pink noise and white noise generator
Equalizer
Bass management
3D surround processing with virtual surround
Audio and video lip synchronization
Supports bass/treble
Automatic volume control
Supports 5-bit (10-channel) main audio I2S output interface, each of these channels is up
to 24-bit resolution
S/PDIF interface
Supports SPDIF in bypass
SPDIF out
Analog TV IF Demodulator
Supports world-wide analog TV standard
Accept direct IF and low IF
Full digital AGC control and carrier recovery
Embedded SAW filter and IF Amplifier. Cost effective TV front-end structure and no more cost on:
External analog SAW filters (Video/Audio)
External analog IF demodulator
External peripheral circuit on CVBS signal data path
External SAW filter and IF VGA on tuner
Peripherals
Three built-in UARTs with Tx and Rx FIFO
Ten basic serial interfaces: one is for the tuner, four are the masters for general purpose and two of them can be active in standby mode, one is the slave for VGA DDC, the other four extra slave serial interfaces used for HDMI
EDID data
Five PWMs, two of them can be active in standby mode
IR receiver
Real-time clock and watchdog controller
Built-in 2-link USB2.0/1.1, both of them support external hub with 16 endpoints.
Built-in uP for standby mode
Supports SDIO interface
Supports smart card interface.
Supports two serial flash or one serial and one NAND flash
Supports 4-input low-speed ADC
Supports boundary scan (JTAG)
IC Outline
LQFP Package 256 pins with E-pad
3.3V/1.2V and 1.8V for DDR2 or 1.5V for DDR3
Supports 4-input low-speed ADC
Supports boundary scan (JTAG)
IC Outline
LQFP Package 256 pins with E-pad
3.3V/1.2V and 1.8V for DDR2 or 1.5V for DDR3
USB INTERFACE
Main Concept IC has integrated 2 USB 2.0 interface. One of them is used for Ethernet function, the other one is used for USB connectivity for last user. Last user can play video, picture and audio files. Also digital channels can be record to external storage device by this interface. All SW files can be updated with interface.
USB circuit has 3 main parts
· Integrated USB 2.0 Host interface of D3K
· Protection IC
· Over Current Protection IC
Main Concept IC has integrated 2 USB 2.0 interface. One of them is used for Ethernet function, the other one is used for USB connectivity for last user. Last user can play video, picture and audio files. Also digital channels can be record to external storage device by this interface. All SW files can be updated with interface.
USB circuit has 3 main parts
· Integrated USB 2.0 Host interface of D3K
· Protection IC
· Over Current Protection IC
DDR3 SDRAM 1Gb G-die
Description:
The 1Gb DDR3 SDRAM G-die is organized as a 8Mbit x 16 I/Os x 8banks device. This synchronous device achieves high speed double-data-rate transfer rates of up to 2133Mb/sec/pin(DDR3-2133)for general applications. The chip is designed to comply with the following key DDR3 SDRAM features such as posted CAS, Programmable CWL, Internal (Self) Calibration, On Die Termination using ODT pin and Asynchronous Reset . All of the control and address inputs are synchronized with a pair of externally supplied differential clocks. Inputs are latched at the cross point of differential clocks (CK rising and CK falling). All I/Os are synchronized with a pair of bidirectional strobes (DQS and DQS) in a source synchronous fashion. The address bus is used to convey row, column, and bank address information in a RAS/CAS multiplexing style. The DDR3 device operates with a single 1.5V ± 0.075V power supply and 1.5V ± 0.075V VDDQ. The 1Gb DDR3 G-die device is available in 96ball FBGA(x16).
Features
• JEDEC standard 1.5V ± 0.075V Power Supply
• VDDQ = 1.5V ± 0.075V
• 533MHz fCK for 1066Mb/sec/pin, 667MHz fCK for 1333Mb/sec/pin, 800MHz fCK for 1600Mb/sec/pin, 933 MHz fCK for 1866Mb/sec/pin, 1066 MHz fCK for 2133Mb/sec/pin
• 8 Banks
• Programmable CAS Latency(posted CAS): 5, 6, 7, 8, 9, 10, 11, 12, 13, 14
• Programmable Additive Latency: 0, CL-2 or CL-1 clock
• Programmable CAS Write Latency (CWL) = 6 (DDR3-1066),
Description:
The 1Gb DDR3 SDRAM G-die is organized as a 8Mbit x 16 I/Os x 8banks device. This synchronous device achieves high speed double-data-rate transfer rates of up to 2133Mb/sec/pin(DDR3-2133)for general applications. The chip is designed to comply with the following key DDR3 SDRAM features such as posted CAS, Programmable CWL, Internal (Self) Calibration, On Die Termination using ODT pin and Asynchronous Reset . All of the control and address inputs are synchronized with a pair of externally supplied differential clocks. Inputs are latched at the cross point of differential clocks (CK rising and CK falling). All I/Os are synchronized with a pair of bidirectional strobes (DQS and DQS) in a source synchronous fashion. The address bus is used to convey row, column, and bank address information in a RAS/CAS multiplexing style. The DDR3 device operates with a single 1.5V ± 0.075V power supply and 1.5V ± 0.075V VDDQ. The 1Gb DDR3 G-die device is available in 96ball FBGA(x16).
Features
• JEDEC standard 1.5V ± 0.075V Power Supply
• VDDQ = 1.5V ± 0.075V
• 533MHz fCK for 1066Mb/sec/pin, 667MHz fCK for 1333Mb/sec/pin, 800MHz fCK for 1600Mb/sec/pin, 933 MHz fCK for 1866Mb/sec/pin, 1066 MHz fCK for 2133Mb/sec/pin
• 8 Banks
• Programmable CAS Latency(posted CAS): 5, 6, 7, 8, 9, 10, 11, 12, 13, 14
• Programmable Additive Latency: 0, CL-2 or CL-1 clock
• Programmable CAS Write Latency (CWL) = 6 (DDR3-1066),
(DDR3-1333), 8 (DDR3-1600), 9 (DDR3-1866), 10 (DDR3-2133)
• 8-bit pre-fetch
• Burst Length: 8 (Interleave without any limit, sequential with starting address “000” only), 4 with tCCD = 4 which does not allow seamless read or write [either On the fly using A12 or MRS]
• Bi-directional Differential Data-Strobe
• Internal(self) calibration : Internal self calibration through ZQ pin (RZQ : 240 ohm ± 1%)
• On Die Termination using ODT pin
• Average Refresh Period 7.8us at lower than TCASE 85°C, 3.9us at 85°C < TCASE < 95 °C
• Asynchronous Reset
• Package : 96 balls FBGA - x16
• All of Lead-Free products are compliant for RoHS
• All of products are Halogen-free.
• 8-bit pre-fetch
• Burst Length: 8 (Interleave without any limit, sequential with starting address “000” only), 4 with tCCD = 4 which does not allow seamless read or write [either On the fly using A12 or MRS]
• Bi-directional Differential Data-Strobe
• Internal(self) calibration : Internal self calibration through ZQ pin (RZQ : 240 ohm ± 1%)
• On Die Termination using ODT pin
• Average Refresh Period 7.8us at lower than TCASE 85°C, 3.9us at 85°C < TCASE < 95 °C
• Asynchronous Reset
• Package : 96 balls FBGA - x16
• All of Lead-Free products are compliant for RoHS
• All of products are Halogen-free.
Panel Supply Switch Circuit
This switch is used to open and close panel supply of TCON. It is controlled by port of main controller. Also with this circuit panel sequence could be adjusted correctly. 3 panel supplies are connected to this circuit. All of them are optional according to panels.
This switch is used to open and close panel supply of TCON. It is controlled by port of main controller. Also with this circuit panel sequence could be adjusted correctly. 3 panel supplies are connected to this circuit. All of them are optional according to panels.
SPI FLASH MEMORY
EN25Q64 64 Megabit Serial Flash Memory with 4Kbyte Uniform Sector
General Description
The EN25Q64 is a 64 Megabit (8192K-byte) Serial Flash memory, with advanced write protection mechanisms. The EN25Q64 supports the standard Serial Peripheral Interface (SPI), and a high performance Dual output as well as Quad I/O using SPI pins: Serial Clock, Chip Select, Serial DQ0(DI), DQ1(DO), DQ2(WP#) and DQ3(NC). SPI clock frequencies of up to 50MHz are supported allowing equivalent clock rates of 100MHz for Dual Output and 200MHz for Quad Output when using the Dual/Quad Output Fast Read instructions. The memory can be programmed 1 to 256 bytes at a time, using the Page Program instruction. The EN25Q64 is designed to allow either single Sector/Block at a time or full chip erase operation. The EN25Q64 can be configured to protect part of the memory as the software protected mode. The device can sustain a minimum of 100K program/erase cycles on each sector or block.
EN25Q64 64 Megabit Serial Flash Memory with 4Kbyte Uniform Sector
General Description
The EN25Q64 is a 64 Megabit (8192K-byte) Serial Flash memory, with advanced write protection mechanisms. The EN25Q64 supports the standard Serial Peripheral Interface (SPI), and a high performance Dual output as well as Quad I/O using SPI pins: Serial Clock, Chip Select, Serial DQ0(DI), DQ1(DO), DQ2(WP#) and DQ3(NC). SPI clock frequencies of up to 50MHz are supported allowing equivalent clock rates of 100MHz for Dual Output and 200MHz for Quad Output when using the Dual/Quad Output Fast Read instructions. The memory can be programmed 1 to 256 bytes at a time, using the Page Program instruction. The EN25Q64 is designed to allow either single Sector/Block at a time or full chip erase operation. The EN25Q64 can be configured to protect part of the memory as the software protected mode. The device can sustain a minimum of 100K program/erase cycles on each sector or block.
EN25QH16 16 Megabit Serial Flash Memory with 4Kbyte Uniform Sector
General Description
The EN25QH16 is a 16 Megabit (2,048 K-byte) Serial Flash memory, with enhanced write protection mechanisms. The EN25QH16 supports the standard Serial Peripheral Interface (SPI), and a high performance Dual/Quad output as well as Dual/Quad I/O using SPI pins: Serial Clock, Chip Select, Serial DQ0(DI), DQ1(DO), DQ2(WP#) and DQ3(HOLD#). SPI clock frequencies of up to 80MHz are supported allowing equivalent clock rates of 160MHz (80MHz x 2) for Dual Output and 320MHz (80MHz x 4) for Quad Output when using the Dual/Quad I/O Fast Read instructions. The memory can be programmed 1 to 256 bytes at a time, using the Page Program instruction. The EN25QH16 is designed to allow either single Sector/Block at a time or full chip erase operation. The EN25QH16 can be configured to protect part of the memory as the software protected mode. The device can sustain a minimum of 100K program/erase cycles on each sector or block.
General Description
The EN25QH16 is a 16 Megabit (2,048 K-byte) Serial Flash memory, with enhanced write protection mechanisms. The EN25QH16 supports the standard Serial Peripheral Interface (SPI), and a high performance Dual/Quad output as well as Dual/Quad I/O using SPI pins: Serial Clock, Chip Select, Serial DQ0(DI), DQ1(DO), DQ2(WP#) and DQ3(HOLD#). SPI clock frequencies of up to 80MHz are supported allowing equivalent clock rates of 160MHz (80MHz x 2) for Dual Output and 320MHz (80MHz x 4) for Quad Output when using the Dual/Quad I/O Fast Read instructions. The memory can be programmed 1 to 256 bytes at a time, using the Page Program instruction. The EN25QH16 is designed to allow either single Sector/Block at a time or full chip erase operation. The EN25QH16 can be configured to protect part of the memory as the software protected mode. The device can sustain a minimum of 100K program/erase cycles on each sector or block.
I-LM1117/LM 800mA Low-Dropout Linear Regulator
The LM1117 is a series of low dropout voltage regulators with a dropout of 1.2V at 800mA of load current. It has the same pin-out as National Semiconductor’s industry standard LM317.
The LM1117 is available in an adjustable version, which can set the output voltage from 1.25V to 13.8V with only two external resistors. In addition, it is also available in five fixed voltages, 1.8V, 2.5V, 2.85V, 3.3V, and 5V. The LM1117 offers current limiting and thermal shutdown. Its circuit includes a zener trimmed band gap reference to assure output voltage accuracy to within ±1%. The LM1117 series is available in SOT-223, TO-220, and TO-252 D-PAK packages. A minimum of 10μF tantalum capacitor is required at the output to improve the transient response and stability.
Features
Available in 1.8V, 2.5V, 2.85V, 3.3V, 5V, and Adjustable
Versions
* Space Saving SOT-223 Package
* Current Limiting and Thermal Protection
* Output Current 800mA
* Line Regulation 0.2% (Max)
* Load Regulation 0.4% (Max)
* Temperature Range
* LM1117 0°C to 125°C
* LM1117I -40°C to 125°C
Applications
* 2.85V Model for SCSI-2 Active Termination
* Post Regulator for Switching DC/DC Converter
* High Efficiency Linear Regulators
* Battery Charger
* Battery Powered Instrumentation.
The LM1117 is a series of low dropout voltage regulators with a dropout of 1.2V at 800mA of load current. It has the same pin-out as National Semiconductor’s industry standard LM317.
The LM1117 is available in an adjustable version, which can set the output voltage from 1.25V to 13.8V with only two external resistors. In addition, it is also available in five fixed voltages, 1.8V, 2.5V, 2.85V, 3.3V, and 5V. The LM1117 offers current limiting and thermal shutdown. Its circuit includes a zener trimmed band gap reference to assure output voltage accuracy to within ±1%. The LM1117 series is available in SOT-223, TO-220, and TO-252 D-PAK packages. A minimum of 10μF tantalum capacitor is required at the output to improve the transient response and stability.
Features
Available in 1.8V, 2.5V, 2.85V, 3.3V, 5V, and Adjustable
Versions
* Space Saving SOT-223 Package
* Current Limiting and Thermal Protection
* Output Current 800mA
* Line Regulation 0.2% (Max)
* Load Regulation 0.4% (Max)
* Temperature Range
* LM1117 0°C to 125°C
* LM1117I -40°C to 125°C
Applications
* 2.85V Model for SCSI-2 Active Termination
* Post Regulator for Switching DC/DC Converter
* High Efficiency Linear Regulators
* Battery Charger
* Battery Powered Instrumentation.
SERVICE MENU SETTINGS
In order to reach service menu, First Press “MENU” Then press the remote control code two times, which is “4725”.
In first screen following items can be seen (MB8x is same as MB6x service menu):
In order to reach service menu, First Press “MENU” Then press the remote control code two times, which is “4725”.
In first screen following items can be seen (MB8x is same as MB6x service menu):
USB Operations
USB operations option can not be used directly. It can be used for updating panel tool, hw configuration etc.
USB operations option can not be used directly. It can be used for updating panel tool, hw configuration etc.
SOFTWARE UPDATE
In MB82 project there is only one software. From following steps software update procedure can be seen:
1. MB82.bin directly inside of a flash memory(not in a folder).
2. Put flash memory to the TV when TV is powered off.
3. Power on the and press OK button on the remote control when the tv is opened.
4. If First Time Installation screen comes, it means software update procedure is successful.
In MB82 project there is only one software. From following steps software update procedure can be seen:
1. MB82.bin directly inside of a flash memory(not in a folder).
2. Put flash memory to the TV when TV is powered off.
3. Power on the and press OK button on the remote control when the tv is opened.
4. If First Time Installation screen comes, it means software update procedure is successful.
No Backlight Problem
Problem: If TV is working, led is normal and there is no picture and backlight on the panel. Possible causes: Backlight pin, dimming pin, backlight supply, stby on/off pin Backlight pin should be high in open position. If it is low, please check Q30 and panel cables.
Problem: If TV is working, led is normal and there is no picture and backlight on the panel. Possible causes: Backlight pin, dimming pin, backlight supply, stby on/off pin Backlight pin should be high in open position. If it is low, please check Q30 and panel cables.
Dimming pin should be high or square wave in open position. If it is low, please check S16 for Mstar side and panel or power cables, connectors.
Backlight power supply should be in panel specs. Please check CN4 for MB82, related connectors for power supply cards.
STBY_ON/OFF should be low for standby on condition, please check R2090.
CI Module Problem
Problem: CI is not working when CI module inserted.
Possible causes: Supply, supply control pin, detect pins, mechanical positions of pins
CI supply should be 5V when CI module inserted. If it is not 5V please check CI_POWER_CTRL, this pin should be low.
Problem: CI is not working when CI module inserted.
Possible causes: Supply, supply control pin, detect pins, mechanical positions of pins
CI supply should be 5V when CI module inserted. If it is not 5V please check CI_POWER_CTRL, this pin should be low.
Check mechanical positions of CI module.
Detect ports should be low. If it is not low please check CI connector pins, CI module pins and 3V3_VCC on MB82.
Detect ports should be low. If it is not low please check CI connector pins, CI module pins and 3V3_VCC on MB82.
Led Blinking Problem
Problem: LED blinking, no other operation
This problem indicates a short on Vcc voltages. Protect pin should be logic high while normal operation. When there is a short circuit protect pin will be logic low. If you detect logic low on protect pin, unplug the TV set and control voltage points with a multimeter to find the shorted voltage to ground.
Problem: LED blinking, no other operation
This problem indicates a short on Vcc voltages. Protect pin should be logic high while normal operation. When there is a short circuit protect pin will be logic low. If you detect logic low on protect pin, unplug the TV set and control voltage points with a multimeter to find the shorted voltage to ground.
IR Problem
Problem: LED or IR not working
Check LED card supply on MB82 chassis.
Problem: LED or IR not working
Check LED card supply on MB82 chassis.
Keypad Touchpad Problems
Problem: Keypad or Touchpad is not working
Check keypad supply and KEYBOARD pin on MB82
Problem: Keypad or Touchpad is not working
Check keypad supply and KEYBOARD pin on MB82
USB Problems
Problem: USB is not working or no USB Detection.
Check USB Supply, It should be nearly 5V.
Problem: USB is not working or no USB Detection.
Check USB Supply, It should be nearly 5V.
No Sound Problem
Problem: No audio at main TV speaker outputs.
Check supply voltages of VDD_AUDIO, 5V_VCC or 12V_VCC with a voltage-meter.
There may be a problem in headphone connector or headphone detect circuit (when headphone is connected, speakers are automatically muted). Measure voltage at HP_DETECT pin, it should be 3.3v.
Problem: No audio at main TV speaker outputs.
Check supply voltages of VDD_AUDIO, 5V_VCC or 12V_VCC with a voltage-meter.
There may be a problem in headphone connector or headphone detect circuit (when headphone is connected, speakers are automatically muted). Measure voltage at HP_DETECT pin, it should be 3.3v.
No Sound Problem at Headphone
Problem: No audio at headphone output.
Check HP detect pin, when headphone is. Check 5V_VCC and 3V3_VCC with a voltage.
Problem: No audio at headphone output.
Check HP detect pin, when headphone is. Check 5V_VCC and 3V3_VCC with a voltage.
Standby On/Off Problem
Problem:
Device cannot boot, TV hangs in standby mode.
There may be a problem about power supply. Check 12V_VCC, 5V_VCC and 3V3_VCC with a voltage-meter. Also there may be a problem about SW. Try to update TV with latest SW. Additionally it is goood to check SW printouts via hyper-terminal (or Teraterm). These
printouts may give a clue about the problem.
Problem:
Device cannot boot, TV hangs in standby mode.
There may be a problem about power supply. Check 12V_VCC, 5V_VCC and 3V3_VCC with a voltage-meter. Also there may be a problem about SW. Try to update TV with latest SW. Additionally it is goood to check SW printouts via hyper-terminal (or Teraterm). These
printouts may give a clue about the problem.
No Signal Problem
Problem: No signal in TV mode.
Check tuner supply voltage; 3V3_TUN. Check tuner options are correctly set in Service
menu. Check AGC voltage at IF_AGC pin of tuner.
Problem: No signal in TV mode.
Check tuner supply voltage; 3V3_TUN. Check tuner options are correctly set in Service
menu. Check AGC voltage at IF_AGC pin of tuner.





