SELF CHECK MODE
Self-check is used to automatically check the bus lines and hexadecimal code of the TV set.
- To enter Self-Check mode, press the STATUS button on the remote control and at the same time press the down [V-] button on the customer controls at the front the TV set.
- To exit Self Check, switch off the TV set at the power button.
Self Check mode Display
If the CCU ports have been checked and found to be incorrect or not located then [ - - ] will appear in place of "O.K."
SERVICE MODE
- Set the Bass to maximum position, set the Treble to minimum position, set the Volume to minimum then press the down button (-/v) on the customer controls at the front of the TV and at the same time press the INDEX button on the remote control, this will place the TV into the Service Mode 1.
- Press the RED / GREEN buttons to step up / down through the functions.
- Press the YELLOW / BLUE buttons to alter the function values.
- Press the TV/AV button after each adjustment has been made to store the required values.
- To exit the Service Mode, press the "N" button.
CLICK ON PICTURES TO ZOOM IN
DISASSEMBLY
Remove the 11 screws as shown, to remove back cover.
SERVICE POSITION
- Remove the bead clamper from the mains lead.
- Hold and lift the rear of the chassis and gently pull the chassis towards you, as shown in Fig.
- Release the respective wiring clips and rotate the chassis horizontally through 90° anti-clockwise.
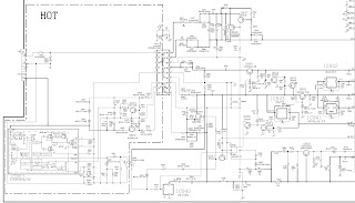
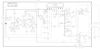
SMPS CHEMATIC
AC Mains Filter Section
Switching and Outputs










