SERVICE MODE
- Power turn on Press “CH▼” and “CH▲” key then release “CH▼” and “CH▲” key press “menu” key go to factory mode.
- Move the color bar to “ EPP Init”, then press “ ENTER” key.
- Move the color bar to “ EXIT” press “ENTER” key quit factory mode, then power OFF/ON.
EEPROM Initial: Only after EEPROM replacement
- Power turn on Press “CH▼” and “CH▲” key then release “CH▼” and “CH▲” key press “MENU” key go to factory mode.
- Move the color bar to “ EPP Init”, then press “ ENTER” key.
- Move the color bar to “ EXIT” press “ENTER” key quit factory mode, then power OFF/ON.
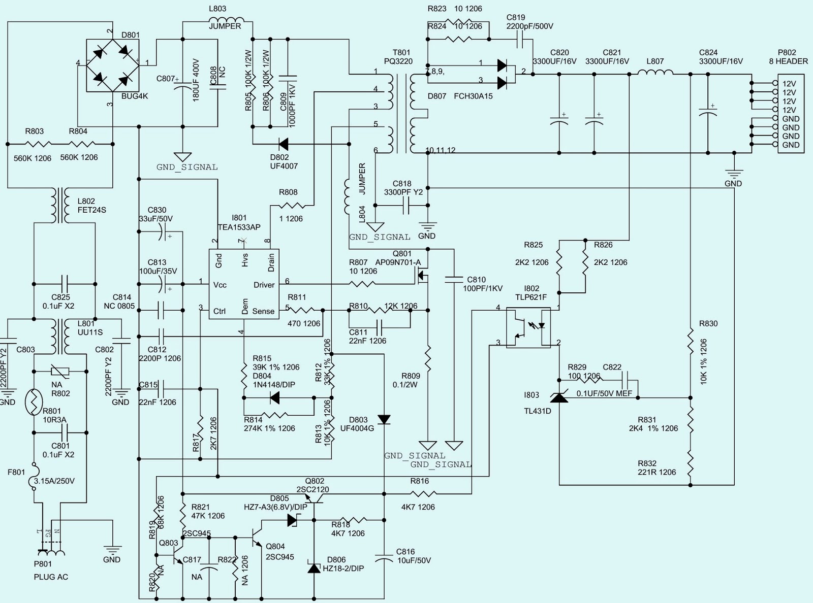
SMPS SCHEMATIC
PWB-TOP
PWB-BOTTOM
CLICK ON THE PICTURES TO ZOOM IN




