Philips 50PFT5100 / 56/79/96/98, 50PFT5100S / 98, 55PFT5100 / 56/79/98, 55PFT5100S / 98
How to Activate the Factory mode
To activate the Factory mode, use the following method:
• Press the following key sequence on the remote control transmitter: from the “Menu/Home screen” press “1999”, directly followed by the “Back” button. Do not allow the display to time out between entries while keying the sequence.
How to Exit the Factory mode
Use one of the following methods:
• Select EXIT_FACTORY from the menu and press the “OK” button.
Note: When the TV is switched “off” by a power interrupt, or normal switch to “stand-by” while in the factory mode, the TV will show up in “normal operation mode” as soon as the power is supplied again. The error buffer will not be cleared.
How to Activate CSM (Customer Service Mode)
To activate CSM, press the following key sequence on a standard remote control transmitter: from the “Menu/Home screen” press “456987”, directly followed by the “Back” button.
(do not allow the display to time out between entries while keying the sequence).
How to Exit CSM
To exit CSM, use one of the following methods.• Press the MENU/HOME button on the remote control transmitter.
• Press the POWER button on the remote control transmitter.
• Press the POWER button on the television set.
How to Activate the Factory mode
To activate the Factory mode, use the following method:
• Press the following key sequence on the remote control transmitter: from the “Menu/Home screen” press “1999”, directly followed by the “Back” button. Do not allow the display to time out between entries while keying the sequence.
How to Exit the Factory mode
Use one of the following methods:
• Select EXIT_FACTORY from the menu and press the “OK” button.
Note: When the TV is switched “off” by a power interrupt, or normal switch to “stand-by” while in the factory mode, the TV will show up in “normal operation mode” as soon as the power is supplied again. The error buffer will not be cleared.
How to Activate CSM (Customer Service Mode)
To activate CSM, press the following key sequence on a standard remote control transmitter: from the “Menu/Home screen” press “456987”, directly followed by the “Back” button.
(do not allow the display to time out between entries while keying the sequence).
How to Exit CSM
To exit CSM, use one of the following methods.• Press the MENU/HOME button on the remote control transmitter.
• Press the POWER button on the remote control transmitter.
• Press the POWER button on the television set.
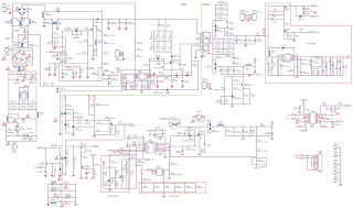
A 715G6955 PSU schematic, component and foil side view:
Used ICs: AOZ3015AI NC, LD5522, AOTF11N70 (FET switch), PF7909S, AO4440, LD7591T


