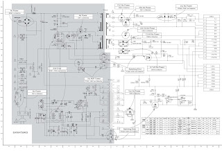
LG 3D Blu-ray/DVD Home Theater System - BH5140S (BH5140S, S54S1-S, S54T1-W) – Software Update, SMPS and Main amplifier circuit diagram
AMPLIFIER
Power Output, (4 Ω / 3 Ω), (RMS), THD 10%
Total 500 W
Front 80 W x 2
Central 80 W
Rear 80 W x 2
Sub-woofer 100 W (passive)NETWORK SOFTWARE UPDATE
You can update the software by connecting your drive directly to the software update server.
Configuring Network Settings
To update the software by connecting your player directly to the software update server. Your player you must be connected to the network. If your player is not connected to the network, make a physical.
Note
* Before updating the software on your player, remove any discs or USB devices from the player.
* Before upgrading your player software, turn the player off and then on again.
* During the software update procedure, do not disconnect the player or disconnect it from the AC power, or press any key.
* If you cancel the update, turn off the power again for more stable performance.
* This unit can not be upgraded to a previous software version.
Software update procedure
1) Press Home on the Remote Control.
2) Press or select the [Settings] menu.
3) Select the [Software] option in the [OTHERS] and then press ENTER.
Select the [Update] option, and press ENTER
4) If there is a newer version, the message "Do you want to download.
5) Select [OK] to start the update.
(Selecting [Cancel] will terminate the update.)
6) The player starts downloading the update from the server. (Download will take several minutes depending on the reader will look for the latest version.
Note
* Pressing ENTER while peal update will complete the process.
** If an update is not available, the message, "Update Not Found."
Press ENTER to return to the [Home Menu] menu.
7) When the discharge is complete, the message, [Full download. Do you want to upgrade]
8) Select [OK] to start the update.
(Selecting [Cancel] will terminate the update and the downloaded file will not be reusable.
To update the software the next time, the procedure to upgrade must start again from the beginning)
ATTENTION: Do not turn off the power during firmware update.
9) When update is complete, the current will be off automatically in a few seconds.
10) Turn on the power again.
The system now uses the new version.
Power Amplifier circuit diagram [Schematic] and PWB
SMPS schematic [circuit diagram] and PWB
Click on the pictures to zoom in




