Used ICs: FAN7529MX, STP20NM60FP [FET], L6599DTR - SMPS board fitted with Philips 22 inch LCD TVs
Power Supply UnitBefore checking other parts first check whether fuse on the PSU is not broken. Always replace a defective fuse with one with the correct specifications! This part is available in the regular market.
The output voltages to the chassis are:
* +3V3-STANDBY (Stand-by mode only)
* +12V (on-mode)
* +Vsnd (+24V) (audio power) (on-mode)
* +24V (iBoard power) (on-mode)
* Output to the display; in case of
- IPB: High voltage to the LCD panel
- PSL and PSLS (LED-driver outputs)
- PSDL (high frequent) AC-current.
The diversity in power supply units is mainly determined by the diversity in screen sizes.
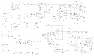
715G4238 SMPS Schematic
Connector voltages
PWB - Component & Foil side view
Click on the pictures to magnify
DC/DC ConvertersThe on-board DC/DC converters deliver the following voltages (depending on set execution):
* +3V3-STANDBY, permanent voltage for the Stand-by controller, LED/IR receiver and controls; connector 1M95 pin 1
* +12V, input from the power supply for TV550 common (active mode); connector 1M95 pins 6, 7 and 8
* +24V, input from the power supply for DVB-S2 (in active mode); connector 1M09 pins 1 and 2
* +1V1, core voltage supply for PNX85500; has to be started up first and switched "off" last (diagram B03B)
* +1V2, supply voltage for analogue blocks inside PNX85500
* +1V8, supply voltage for DDR2 (diagram B03B)
* +2V5, supply voltage for analogue blocks inside PNX85500
* +3V3, general supply voltage
* +5V, supply voltage for USB and CAM
* +5V-TUN, supply voltage for tuner (diagram B03E)
* +V-LNB, input voltage for LNB supply IC (item no. 7T50)
* +5V-DVBS, input intermediate supply voltage for DVB-S2
* +3V3-DVBS, clean voltage for silicon tuner and DVB-S2 channel decoder
* +2V5-DVBS, clean voltage for DVB-S2 channel decoder
* +1V-DVBS, core voltage for DVB-S2 channel decoder.
A +12 V under-voltage detector (see diagram) enables the 12V to 3.3V and 12V to 5V DC/DC converters via the ENABLE-3V3-5V line, and the 12V to 1.8V DC/DC converter via the ENABLE-1V8 line. DETECT2 is the signal going to the Stand-by microcontroller and ENABLE-3V3n is the signal coming from the Stand-by microcontroller.
contains the following linear stabilizers:
* +2V5 stabiliser, built around item no. 7UCO
* +5V-TUN stabiliser, built around items no. 7UA6 and 7UA7
* +1V2 stabiliser, built around items no. 7UA3 and 7UA4
contains the DVB-S2-related DC/DC converters and -stabilizers
* a +24V under-voltage detection circuitry is built around item no. 7T04
* the switching frequency of the 24 to 14...20V switched mode converter is 350 kHz (item no. 7T03 and +V-LNB lines)
* the output signal on the +V-LNB line goes to the LNBH23Q (item no. 7T50)
* the LNBH23Q (item no. 7T50) sends a feedback signal via the V0-CNTRL line
* the switching frequency of the +5V-DVBS to +1-DVBS switched mode converter is 900 kHz (item no. 7T00)
* a delay line for the +2V5-DVBS and +1V-DVBS lines is created with item no. 3T03 (R=10k) and 2T06 (C=100n)
* a 3.3V to 2.5V linear stabiliser is built around item no. 7T01
* a 5V to 3.3V linear stabiliser is built around item no. 7T02
B08B contains the DVB-S2 LNB supply
* the +V-LNB signal comes from item no. 7T03
* the V0-CTRL signal goes to item no. 7T03
* the LNB-RF1 goes to the LNB


