Using Vestel 17IPS19, Vestel 17IPS20S-R6 main digital board - Service mode, Software update, general troubleshooting
SOFTWARE UPDATEIn MB82 project there is only one software for service. From following steps software update procedure.
1. Copy “upgrade loader.pkg”software file directly into foot of a flash memory (not in a folder)
2. Put flash memory to the TV when TV is powered off.
3. Power on and press OK button on the remote control when the TV is opened.
4. If First Time Installation screen appears, it means software update is successful.
There is a full software package (upgrade_loader_full.pkg) only with engineering purpose. [Do not use because CI+Credentials and HDCP keys will be erased with full software update.]1. Copy “upgrade loader.pkg”software file directly into foot of a flash memory (not in a folder)
2. Put flash memory to the TV when TV is powered off.
3. Power on and press OK button on the remote control when the TV is opened.
4. If First Time Installation screen appears, it means software update is successful.
The DC voltages required at various parts of the chassis and panel is provided by a main power supply unit. MB82 chassis can operate with PW05, IPS60, IPS70, IPS16, IPS17, IPS19, PW25, PW26, PW82-3, PW03, PW04, PW06, PW07 as main power supply and also with 12V adaptor.
Which power board can be used for board to board or cable connection?
Board to board (B TB) : PW05, I PS60, I PS70, I PS16, I PS17, I PS19 Power Cable : PW25, PW26, PW82-3, PW03, PW04, PW06, PW07
The power supplies generate 24V, 12V, 5V, 3,3V and 12V, 5V, 3.3V stand b y mode DC voltages. Power stage which is on-chassis generates 5V, 3V3 stand by voltage and 12V, 8V, 5V, 3V3, 2.5V, 1,8V and 1,2V supplies for other different parts of the chassis.
For PW26 and PW27 just common blocks are enough for proper operation.
Short CCT Protection Circuit
Short circuit protection is necessary f or protecting chassis and main IC against damages when any Vcc supply shorts to ground. Protect pin should be logic high while normal operation. When there is a short circuit protect pin should be logic low. After any short detection, SW forces LEDs on LED card to blink.
Which power board can be used for board to board or cable connection?
Board to board (B TB) : PW05, I PS60, I PS70, I PS16, I PS17, I PS19 Power Cable : PW25, PW26, PW82-3, PW03, PW04, PW06, PW07
The power supplies generate 24V, 12V, 5V, 3,3V and 12V, 5V, 3.3V stand b y mode DC voltages. Power stage which is on-chassis generates 5V, 3V3 stand by voltage and 12V, 8V, 5V, 3V3, 2.5V, 1,8V and 1,2V supplies for other different parts of the chassis.
For PW26 and PW27 just common blocks are enough for proper operation.
Short CCT Protection Circuit
Short circuit protection is necessary f or protecting chassis and main IC against damages when any Vcc supply shorts to ground. Protect pin should be logic high while normal operation. When there is a short circuit protect pin should be logic low. After any short detection, SW forces LEDs on LED card to blink.
SERVICE MENU
In order to reach service menu, First Press “MENU” then write "4725" by using remote control. In first screen following items can be seen:
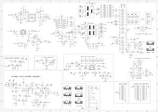
Sharp LC-32LD145 power supply schematic – Vestel 17IPS19 20-40 inch led TV
Sharp LC-39LD145 power supply schematic – Vestel 17IPS20S-R6 39 inch LCE TV
Click on the schematics to magnify
Troubleshooting
No Backlight Problem
Problem: If TV is working, led is normal and there is no picture and backlight on the panel.
Possible causes: Backlight pin, dimming pin, backlight supply, stby on/off pin
Backlight pin should be high in open position. If it is low, please check Q30 and panel cables
Dimming pin should be high or square wave in open position. If it is low, check S16 for Mstar side and panel or power cables, connectors.
Backlight power supply should be in panel specs. Check CN4 for MB82, related connectors for power supply cards.
STBY_ON/OFF should be low for standby on condition, check R2090.
CI Module Problem
Problem: CI is not working when CI module inserted.
Possible causes: Supply, suply control pin, detect pins, mechanical positions of pins
CI supply should be 5V when CI module inserted. If it is not 5V check CI_POWER_CTRL, this pin should be low.
Check mechanical positions of CI module.
Detect ports should be low. If it is not low please check CI connector pins, CI module pins and 3V3_VCC on MB82.
Led Blinking Problem
Problem: LED blinking, no other operation
This problem indicates a short on Vcc voltages. Protect pin should be logic high while normal operation. When there is a short circuit protect pin will be logic low. If you detect logic low on protect pin, unplug the TV set and control voltage points with a multimeter to find the shorted voltage to ground.
IR Problem
Problem: LED or IR not working
Check LED card supply on MB82 chasis.
Problem: LED or IR not working
Check LED card supply on MB82 chasis.
Keypad Touchpad Problems
Problem: Keypad or Touchpad is not working
Check keypad supply and KEYBOARD pin on MB82
Problem: Keypad or Touchpad is not working
Check keypad supply and KEYBOARD pin on MB82
USB Problems
Problem: USB is not working or no USB Detection.
Check USB Supply, It should be nearly 5V.
Problem: USB is not working or no USB Detection.
Check USB Supply, It should be nearly 5V.
No Sound Problem
Problem: No audio at main TV speaker outputs.
Check supply voltages of VDD_AUDIO, 5V_VCC or 12V_VCC with a voltage-meter.
There may be a problem in headphone connector or headphone detect circuit (when headphone is connected, speakers are automatically muted). Measure voltage at HP_DETECT pin, it should be 3.3v.
Problem: No audio at main TV speaker outputs.
Check supply voltages of VDD_AUDIO, 5V_VCC or 12V_VCC with a voltage-meter.
There may be a problem in headphone connector or headphone detect circuit (when headphone is connected, speakers are automatically muted). Measure voltage at HP_DETECT pin, it should be 3.3v.
No sound – headphone
Problem: No audio at headphone output.
Check HP detect pin, when headphone is. Check 5V_VCC and 3V3_VCC with a voltmeter.
Check HP detect pin, when headphone is. Check 5V_VCC and 3V3_VCC with a voltmeter.
Standby On/Off Problem
Problem: Device cannot boot, TV hangs in standby mode.
There may be a problem about power supply. Check 12V_VCC, 5V_VCC and 3V3_VCC with a voltage-meter. Also there may be a problem about SW. Try to update TV with latest SW. Additionally it is good to check SW printouts via hyper-terminal (or Teraterm). These printouts may give a clue about the problem.
No Signal Problem
Problem: No signal in TV mode.
Check tuner supply voltage; 3V3_TUN. Check tuner options are correctly set in Service menu. Check AGC voltage at IF_AGC pin of tuner.





