Sharp LC-32LD145E (B), LC-32LD145K(B), LC-32LD145V(B), LC-39LD145E (B), LC-39LD145K(B), LC-39LD145V(B)
Fitted with Vestel 17MB82S CHASSIS, LED LCD COLOUR TELEVISION - DVB-T / DVB-C (HDTV), PAL B/G, I / SECAM B/G, D/K, L/L’ SYSTEM COLOUR TELEVISION
DIFERENCES BETWEEN MODELS
The new main board has been change from 17MB82-2 to 17MB82S.
The new main board 17MB82S has the possibility to support DVB S/S2
Also new PSU board has been changed from 17IPS20 R5 to 17IPS20S R6 in 39 inches.
* The character is added at the end of the model name on the model label.
* The character is also added at the end of the model name on the carton label.
The new main board 17MB82S has the possibility to support DVB S/S2
Also new PSU board has been changed from 17IPS20 R5 to 17IPS20S R6 in 39 inches.
* The character is added at the end of the model name on the model label.
* The character is also added at the end of the model name on the carton label.
Software is different from original model.
LC32LD145E
LCD Maker: Vestel LG open cell Panel
LCD Part number: VES315WNDL-01
Power unit board: Vestel 7IPS19-5 V.1 (With LED Driver circuit)
LED Driver board: Vestel 17MB82-2
Software: LC-32LD145E_SW_V058a
LC32LD145E (B)
LCD Maker: Vestel LG open cell Panel
LCD Part number: VES315WNDL-01
Power unit board: 17IPS1917MB82S
LED Driver board: 17MB82S
Software: LC-32LD145E(B)_SW_V066a
LC39LD145E
LCD Maker: Vestel INNORUX open cell
LCD Part number: VES390UNDC-01
Power unit board: 17IPS20 R5 (With LED Driver circuit)
LED Driver board: 17MB82-2
Software: LC-39LD145E_SW_V058a
LC39LD145E (B)
LCD Maker: Vestel INNORUX open cell
LCD Part number: VES390UNDC-01
Power unit board: 17IPS20S R6 (With LED Driver circuit)
LED Driver board: 17MB82S
Software: LC-39LD145E(B)_SW_V066a
Using My button 1 (*) on the remote control
Press MY BUTTON 1 for fve seconds when on a desired source, channel or link, until the “MY BUTTON IS SET” message is displayed on the screen. This confirms that the selected MY BUTTON is now associated with the selected function.
Press MY BUTTON 1 for fve seconds when on a desired source, channel or link, until the “MY BUTTON IS SET” message is displayed on the screen. This confirms that the selected MY BUTTON is now associated with the selected function.
Using My Button 2 (**) on the remote control
Press MY BUTTON 2 for fve seconds when on a desired source, channel or link, until the “MY BUTTON IS SET” message is displayed on the screen. This confirms that the selected MY BUTTON is now associated with the selected function.
Press MY BUTTON 2 for fve seconds when on a desired source, channel or link, until the “MY BUTTON IS SET” message is displayed on the screen. This confirms that the selected MY BUTTON is now associated with the selected function.
17MB82S main board is driven by MediaTek MT5820.
This IC is capable of handling Video and audio processing, Scaling-Display processing, 3D comb filter, OSD and text processing, LVDS/mini-LVDS transmitting, channel and MPEG2/4 decoding, integrated DVB-T/C demodulator and media center functionality.
TV supports PAL, SECAM, NTSC color standards and multiple transmission standards as B/G, D/K, and I’I including German and NICAM stereo. Also DVB T, DVB-C are supported internal demodulators of MediaTek IC.
Sound system output is supplying max. 2x8W ( less 10%THD at max output)
Supported peripherals are:
1 RF input VHF I, VHF III, UHF @ 75Ohm
1 Side AV (CVBS, R/L_Audio)
1 SCART socket
1 PC input
2 HDMI 1.3 input(2 HDMI input )
1 PDIF output
1 Headphone
1 Common interface
2 USB(1 USB input)
TUNER(MXL601)
MxL601 is a highly integrated low-power silicon tuner IC targeting all global analog and digital cable standards as well as digital terrestrial reception standards. Broadband input filtering and channel filtering have been completely integrated on-chip. This integration enables a very compact design requiring a small footprint, low bill-of-materials cost, and low power consumption. A signal at the 753 RF input is filtered and converted to a programmable IF output up to 44MHz. Automatic gain control, LO generation, and channel selectivity functions are completely integrated on the chip, which simplifies board level design. All functions of the IC can be controlled via I2C interface. MxL601 is available in a 4 x 4 mm2 24-pin QFN package.
MxL601 is a highly integrated low-power silicon tuner IC targeting all global analog and digital cable standards as well as digital terrestrial reception standards. Broadband input filtering and channel filtering have been completely integrated on-chip. This integration enables a very compact design requiring a small footprint, low bill-of-materials cost, and low power consumption. A signal at the 753 RF input is filtered and converted to a programmable IF output up to 44MHz. Automatic gain control, LO generation, and channel selectivity functions are completely integrated on the chip, which simplifies board level design. All functions of the IC can be controlled via I2C interface. MxL601 is available in a 4 x 4 mm2 24-pin QFN package.
AUDIO AMPLIFIER
The TAS5721 is a 15-W stereo or 2x10 W + 1x15 W2.1 device, efficient, digital audio-power amplifier for driving stereo bridge-tied speakers. One serial data input allows processing of up to two discrete audio channels and seamless integration to most digital audio processors and MPEG decoders. The device accepts a wide range of input data and data rates. Awfully programmable data path routes these channels to the internal speaker drivers. The TAS5721 is a slave-only device receiving all clocks from external sources. The TAS5721 operates with a PWM carrier between a 384-kHz switching rate and a 352-KHz switching rate, depending on the input sample rate. Oversampling combined with a fourth- order noise shaper provides a flat noise floor and excellent dynamic range from 20 Hz to 20 kHz.
Features
* Audio Input/Output
15Wx2 into 8
Supports Single Device 0.1, 2.0, 2.1 Modes
Wide PVDD Range, From 4.5 V to 26 V Performance
Efficient Class-D Operation Eliminates Need for Heatsinks
Requires Only 3.3 V and PVDD
One Serial Audio Input (Two Audio Channels)
I2C Address Selection via PIN (Chip Select)
Supports 8-kHz to 48-kHz Sample Rate (LJ/RJ/I2S)
External Headphone-Amplifier Shutdown Signal
Integrated CAP-Free Headphone Amplifier
Stereo Headphone (Stereo 2-V RMS Line Driver) Outputs
* Audio/PWM Processing
Independent Channel Volume Controls With The 24-dB to Mute
Separate Dynamic Range Control for Satellite and Sub Channels
21 Programmable Biquads for Speaker EQ
Programmable Coefficients for DRC Filters
DC Blocking Filters
Support for 3D Effects
* General Features
Serial Control Interface Operational Without MCLK
Factory-Trimmed Internal Oscillator for Automatic Rate Detection
Surface Mount, 48-Pin, 7-mm × 7-mm HTQFP Package
Thermal and Short-Circuit Protection.
POWER STAGE
The DC voltages required at various parts of the chassis and panel are provided by a main power supply unit. MB82 chassis can operate with PW05, IPS60, IPS70, IPS16, IPS17, IPS19, PW25, PW26, PW82-3, PW03, PW04, PW06, PW07 as main power supply and also with 12V adaptor.
Which power board can be used for board to board or cable connection?
Board to b oard (B TB) : PW05, I PS60, I PS70, I PS16, I PS17, I PS19 Power
Cable : PW25, PW26, PW82-3, PW03, PW04, PW06, PW07
The power supplies generate 24V, 12V, 5V, 3,3V and 12V, 5V, 3.3V stand b y mode DC voltages. Power stage which is on-chassis generates 5V, 3V3 stand by voltage and 12V, 8V, 5V, 3V3, 2.5V, 1,8V and 1,2V supplies for other different parts of the chassis. Chassis block diagram is indicated below.
The blocks on power block diagram is using dependent to main supply. For PW26 and PW27 just common blocks are enough for proper operation.
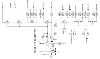
Short CCT Protection Circuit
Short circuit protection is necessary f or protecting chassis and main IC against dam ages when any Vcc supply shorts to ground. Protect pin should be logic high while normal operation. When there is a short circuit protect pin should be logic low. After any short detection, SW forces LEDs on LED card to blink.
The DC voltages required at various parts of the chassis and panel are provided by a main power supply unit. MB82 chassis can operate with PW05, IPS60, IPS70, IPS16, IPS17, IPS19, PW25, PW26, PW82-3, PW03, PW04, PW06, PW07 as main power supply and also with 12V adaptor.
Which power board can be used for board to board or cable connection?
Board to b oard (B TB) : PW05, I PS60, I PS70, I PS16, I PS17, I PS19 Power
Cable : PW25, PW26, PW82-3, PW03, PW04, PW06, PW07
The power supplies generate 24V, 12V, 5V, 3,3V and 12V, 5V, 3.3V stand b y mode DC voltages. Power stage which is on-chassis generates 5V, 3V3 stand by voltage and 12V, 8V, 5V, 3V3, 2.5V, 1,8V and 1,2V supplies for other different parts of the chassis. Chassis block diagram is indicated below.
The blocks on power block diagram is using dependent to main supply. For PW26 and PW27 just common blocks are enough for proper operation.
Short CCT Protection Circuit
Short circuit protection is necessary f or protecting chassis and main IC against dam ages when any Vcc supply shorts to ground. Protect pin should be logic high while normal operation. When there is a short circuit protect pin should be logic low. After any short detection, SW forces LEDs on LED card to blink.
MICROCONTROLLER – MediaTek
MT5820 (Main IC) (U1)
The MediaTek MT5820 family consists of a backend decoder and a TV controller and offers high integration for advanced applications. It combines a transport de-multiplexer, a high definition video decoder, an audio decoder, a dual-link LVDS transmitter, a mini-LVDS transmitter, an EPI transmitter and an NTSC/PAL/SECAM TV decoder with a 3D comb filter (NTSC/PAL). The MT5820 enables consumer electronics manufactures to build high quality, low cost and feature-rich DTV.
The MediaTek MT5820 family consists of a backend decoder and a TV controller and offers high integration for advanced applications. It combines a transport de-multiplexer, a high definition video decoder, an audio decoder, a dual-link LVDS transmitter, a mini-LVDS transmitter, an EPI transmitter and an NTSC/PAL/SECAM TV decoder with a 3D comb filter (NTSC/PAL). The MT5820 enables consumer electronics manufactures to build high quality, low cost and feature-rich DTV.
World-Leading audio/Video Technology:
The MT5820 supports Full-HD MPEG1/2/4/h.264/DiviX/VC1/RM/AVS/VP6/VP8 (option) video decoder standards, and JPEG. The MT5820 also supports MediaTek MDDiTM de-interlace solution can reach very smooth picture quality for motions. A 3D comb filter added to the TV decoder recovers great details for still pictures. The special color processing technology provides natural, deep colors and true studio quality video. Also, the MT5820 family has built-in high resolution and high-quality audio codec.
Rich Features for High Value Products:
The MT5820 family enables true single-chip experience. It integrates high-quality HDMI1.4a, high speed VGA ADC, LVDS, mini-LVDS, EPI, USB2.0 receiver, TCON (option),panel overdrive (option).
WW Common Platform Capability: Reserved transport stream input is for external demodulator for other countries or areas. TV maker can easily port the same UI to worldwide TV models. Excellent adjacent and co-channel rejection capability grants customers never miss any wonderful stream. Professional error-concealment provides stable, smooth and mosaic-free video quality.
Panel Supply Switch Circuit
This switch is used to open and close panel supply of TCON. It is controlled by port of main uncontrolled. Also with this circuit panel sequence could be adjusted correctly. 3 panel supplies are connected to this circuit. All of them are optional according to panels.
This switch is used to open and close panel supply of TCON. It is controlled by port of main uncontrolled. Also with this circuit panel sequence could be adjusted correctly. 3 panel supplies are connected to this circuit. All of them are optional according to panels.
EN25QH16 16 Megabit Serial Flash Memory with 4Kbyte Uniform Sector
The EN25QH16 is a 16 Megabit (2,048 K-byte) Serial Flash memory, with enhanced write protection mechanisms. The EN25QH16 supports the standard Serial Peripheral Interface (SPI), and a high performance Dual/Quad output as well as Dual/Quad I/O using SPI pins:
Serial Clock, Chip Select, Serial DQ0(DI), DQ1(DO), DQ2(WP#) and DQ3(HOLD#). SPI clock frequencies of up to 80MHz are supported allowing equivalent clock rates of 160MHz (80MHz x 2) for Dual Output and 320MHz (80MHz x 4) for Quad Output when using the Dual/Quad I/O Fast Read instructions. The memory can be programmed 1 to 256 bytes at a time, using the Page Program instruction. The EN25QH16 is designed to allow either single Sector/Block at a time or full chip erase operation. The EN25QH16 can be configured to protect part of the memory as the software protected mode. The device can sustain a minimum of 100K program/erase cycles on each sector or block.
LM1117/LM 800mA Low-Dropout Linear Regulator
The LM1117 is a series of low dropout voltage regulators with a dropout of 1.2V at 800mA of load current. It has the same pin-out as National Semiconductor’s industry standard LM317.
The LM1117 is available in an adjustable version, which can set the output voltage from 1.25V to 13.8V with only two external resistors. In addition, it is also available in five fixed voltages, 1.8V, 2.5V, 2.85V, 3.3V, and 5V. The LM1117 offers current limiting and thermal shutdown. Its circuit includes a zener trimmed bandgap reference to assure output voltage accuracy to within ±1%. The LM1117 series is available in SOT-223, TO-220, and TO-252 D-PAK packages. A minimum of 10MF tantalum capacitor is required at the output to improve the transient response and stability.
SERVICE MENU SETTINGS
In order to reach service menu, First Press “MENU” then write "4725" by using remote control.
In first screen following items can be seen:
SOFTWARE UPDATE
In MB82 project there is only one software for service. From following steps software update procedure.
1. Copy “upgrade loader.pkg”software fle directly into foot of a flash memory (not in a folder)
2. Put flash memory to the TV when TV is powered off.
3. Power on the and press OK button on the remote control when the TV is opened.
4. If First Time Installation screen appears, it means software update is successful.
In MB82 project there is only one software for service. From following steps software update procedure.
1. Copy “upgrade loader.pkg”software fle directly into foot of a flash memory (not in a folder)
2. Put flash memory to the TV when TV is powered off.
3. Power on the and press OK button on the remote control when the TV is opened.
4. If First Time Installation screen appears, it means software update is successful.



