SERVICE MODE
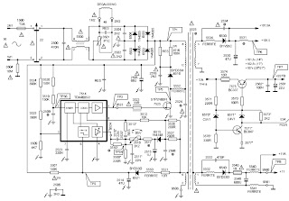
On both the service printing on the copper and the component side, functional blocks are given. These blocks indicate the functionally of that specific part of the circuit.
SERVICE DEFAULT MODE
- The CTN software contains a "Service Default Mode" .
- To activate this mode the service pin of the microcomputer (pin 7-IC7600) should be short-circuited to earth while switching on the set with the mains switch (shorting pin 7can be done on the copper side via the 2 copper squares or on the component side by pin 7 and the shielding of the µC).
- When the set in the Service Default Mode and "S" appears on the screen.
- In the Service Default Mode the set is in a pre-defined mode In this mode all analog settings (volume, contrast, brightness and saturation) are in the mid position and the set is tuned to program number 1.
- The Service Default Mode is left via switching off the set by the mains switch or via standby on the remote control.
ERROR MESSAGES
F1 en: OSD y LED parpadea => Error interno µC => IC7600


