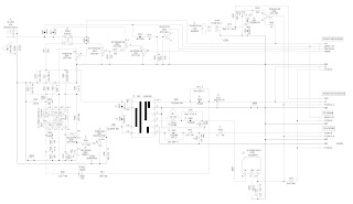
POWER SCHEMATIC
Click on Schematic to Zoom In
Set-up codesGE universal remote: 000, 001, 004, 006, 009, 031, 046, 049, 051, 082, 083, 135, 162, 268, 310 {0004 0009 0049 0051 0135 0031 0000 0268 0310 0001}
RCA RCR 311W: 1004, 1006, 1013, 1019, 1047, 1054, 1163, 1167, 1205, 1207, 1213, 1230
RCA RCR 312W: 10154, 10463, 10150, 10178, 10016
6 in 1 Super remote: 014,022,062,095,096
Comcast on demand remote control: 0154, 0250, 0463, 0150, 0178, 0179, 0016
Philips SRP-3004 remote control: 1800.
