Login
Account
Sign Up
Home
About Us
Catalog
Search
Register RSS
Embed RSS
FAQ
Get Embed Code
Example: Default CSS
Example: Custom CSS
Example: Custom CSS per Embedding
Super RSS
Usage
View Latest
Create
Contact Us
Technical Support
Guest Posts/Articles
Report Violations
Google Warnings
Article Removal Requests
Channel Removal Requests
General Questions
DMCA Takedown Notice
RSSing>>
Collections:
RSSing
EDA
Intel
Mesothelioma
SAP
SEO
Latest
Articles
Channels
Super Channels
Popular
Articles
Pages
Channels
Super Channels
Top Rated
Articles
Pages
Channels
Super Channels
Trending
Articles
Pages
Channels
Super Channels
Switch Editions?
Cancel
Sharing:
Title:
URL:
Copy Share URL
English
RSSing.com
RSSing>>
Latest
Popular
Top Rated
Trending
Channel: Electro help
NSFW?
Claim
0
X
Mark channel Not-Safe-For-Work?
cancel
confirm
NSFW Votes:
(
0
votes)
X
Are you the publisher?
Claim
or
contact us
about this channel.
X
0
Showing article 359 of 2033 in channel 13553321
Channel Details:
Title: Electro help
Channel Number: 13553321
Language: English
Registered On: May 17, 2013, 9:36 am
Number of Articles: 2033
Latest Snapshot: January 22, 2023, 3:32 am
RSS URL:
http://electronicshelponline.blogspot.com/feeds/posts/default?alt=rss
Publisher:
https://electronicshelponline.blogspot.com/
Description: Electronic Equipment Repair Assistance
Catalog:
//electro404.rssing.com/catalog.php?indx=13553321
Remove ADS
Viewing all articles
First Article
...
Article 357
Article 358
Article 359
Article 360
Article 361
...
Last Article
Browse latest
Browse all 2033
↧
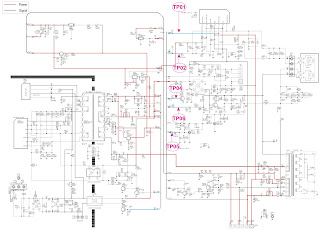
SAMSUNG CL29X50 - POWER SUPPLY [SMPS] - SCHEMATIC [Circuit Diagram] - STR-X6750F
July 28, 2013, 8:31 pm
≫
Next: SANYO LCD-27XL2 - LCD-27XL2B - HOW TO ENTER SERVICE MODE - OPTION SETTINGS - INITIALIZATION - Protection circuit - Universal Remote Control Set-up Codes
≪
Previous: HOW TO DISASSEMBLE - CANON LBP-1120 - LASER PRINTER
$
0
0
POWER SUPPLY SCHEMATIC
CLICK ON SCHEMATICS TO ZOOM IN
↧
Search
RSSing.com
Remove ADS
Viewing all articles
First Article
...
Article 357
Article 358
Article 359
Article 360
Article 361
...
Last Article
Browse latest
Browse all 2033
Trending Articles
RAMAYAMPET Mandal Sarpanch | Upa-Sarpanch | Ward member Mobile Numbers Medak...
May 24, 2017, 2:00 am
लड़कियां सेक्स के दौरान क्यों करती है उह! आह!लड़कियां सेक्स के दौरान क्यों करती...
May 19, 2016, 1:54 am
Neem Baba Extra Questions Answer Class 6 English Poorvi
February 1, 2025, 5:19 am
Throw Back: 4×4 — Sikilitele (Ft Castro) Prod by JQ
March 5, 2015, 8:24 am
Rajasthan Board 10th Result 2016 Roll No wise & Name Wise
August 20, 2016, 5:13 pm
Lowe faces four theft charges
November 14, 2017, 6:52 pm
Practice Sheet of Right form of verbs for HSC Students
September 22, 2019, 11:40 pm
Mafia, Murder & Mayhem In The Motor City: Detroit Mob Hit Timeline (1937-2007)
December 7, 2016, 3:57 pm
The 10 Tennessee Cities With The Largest Black Population For 2021
December 21, 2020, 10:12 am
Materials Around Us Class 6 Worksheet Science Chapter 6
October 3, 2024, 5:20 am
デスクトップ ヒープの枯渇
January 18, 2018, 8:31 pm
Best Suvichar in Hindi |बेस्ट सुविचार |शुभ विचार हिंदी में
March 7, 2020, 11:19 pm
Kanulanu Thaake Lyrics and translation | Manam (2014)
May 9, 2014, 5:45 am
Korean Sex Porn Videos: XXX Videos & Free Porn Movies
May 30, 2025, 9:29 pm
Teen Shot In Miami Drive-By Dies From Injuries
August 8, 2011, 1:16 pm
Download: IQ Muzatasha feat Shy D & Pmj – Ulesi NiFertilizer Yamavuto
March 22, 2018, 7:23 pm
Mahakal Attitude Status
February 29, 2020, 9:52 am
Property developer set up cannabis factory to help pay off debts...
August 3, 2015, 2:29 am
♡
July 11, 2015, 6:15 am
KB: How to troubleshoot issues when adding a Hyper-V host in System Center...
August 14, 2012, 10:05 am
Search
RSSing.com
© 2026 //www.rssing.com
<script src="https://jsc.adskeeper.com/r/s/rssing.com.1596347.js" async> </script>